
联系我们
与泰克代表实时聊天。 工作时间:上午 9:00 - 下午 5:00(太平洋标准时间)。
致电我们
工作时间:上午9:00-下午5:00(太平洋标准时间)
下载
下载手册、产品技术资料、软件等:
反馈
Continuous Time Linear Equalizers (CTLEs) for PCIe3 and PCIe4
BSXPCI3EQ and BSXPCI4EQ Datasheet
泰克对于本技术资料上的产品不再有售。
查看 Tektronix Encore 了解翻新测试设备。
查看这些产品的支持和保修状态。

Tektronix offers Continuous Time Linear Equalizers (CTLEs) to correct for losses and distortions caused by high frequency transmission lines.
Key performance specifications
- High correlation to the PCIe3/4 Behavioral CTLE Models
- Nominal 2 dB insertion loss
- <10 dB insertion loss
- DC coupled
- 23 dBM RF power
Product description
Continuous Time Linear Equalizers (CTLEs) are implemented to correct for losses and distortions caused by high frequency transmission lines. Two different sets of equalizers are offered for PCIe3, 8GT/s (BSXPCI3EQ) and PICe4, 16GT/s (BSXPCI4EQ). Each offering contains two sets of equalizers with two different gain corrections (3 dB and 6 dB).
The CTLEs can improve eye openings due to the trace losses of the PCBs, enabling a higher level of testability of the corresponding data channels.
The equalizers follow the PCIe3/4 specifications for the transfer function given as follows:

For PCIe3
- ADC = DC Gain
- ωp1 = pole 1 = 2π × 2 GHz
- ωp2 = pole 2 = 2π × 8 GHz
For PCIe4
- ADC = DC Gain
- ωp1 = pole 1 = 2π × 4 GHz
- ωp2 = pole 2 = 2π × 16 GHz
Typical performance BSXPCI3EQ 3 dB


Typical performance BSXPCI3EQ 6 dB


Typical performance BSXPCI4EQ 3 dB


Typical performance BSXPCI4EQ 6 dB


Specifications
All specifications are guaranteed unless noted otherwise.
| Parameter | BSXPCI3EQ | BSXPCI4EQ | |||
|---|---|---|---|---|---|
| PCIe3, 3 dB | PCIe3, 6 dB | PCIe4, 3 dB | PCIe4, 6 dB | ||
| Attenuation, DC | Minimum | 4.5 dB | 7.5 dB | 4.5 dB | 7.5 dB |
| Typical | 5 dB | 8 dB | 5 dB | 8 dB | |
| Maximum | 5.5 dB | 8.5 dB | 5.5 dB | 8.5 dB | |
| Passband insertion loss | PCIe3 (fc=4 GHz) PCIe4 (fc=8 GHz) | 2 dB nominal 2.5 dB maximum | |||
| Connector configuration | SMA | SMA | 2.92 mm | 2.92 mm | |
| Return loss (see plots) | -12 dB, 0 to 8 GHz -10 dB, 8 to 12 GHz | -12 dB, 0 to 12 GHz -10 dB, 12 to 20 GHz | |||
| Maximum power, CW | 23 dBm | ||||
| Storage temperature | Case | -25 °C, minimum +90 °C, maximum | |||
| Impedance | 50 Ω | ||||
| Warranty | One year, typical | ||||
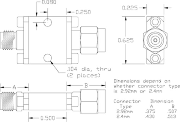
- Mechanical dimensions

Ordering information
Models
- BSXPCI3EQ
- PCIe3 CLTE 3 dB, 6 dB (2 each) (SMA)
- BSXPCI4EQ
- PCIe4 CTLE 3 dB, 6 dB (2 each) (2.92mm)
