测试痛点
对市场新推出的低功耗IC 及功率器件特性无法准确把握,是否真正在自己的电源设计中发挥最大的作用,缺少一种简单经济的评价方法。
泰克方案
370B半导体参数测试仪是行业内非常有名的测试设备,但是该产品已经停产,为满足客户的测试需求,所以泰克吉时利推出370B的替代方案半参数化波形记录器PCT,全面的器件级测试。功率范围最高3KV/100A ,图形化的语言设计,一键自动生成报告。
联系我们
与泰克代表实时聊天。 工作时间:上午 9:00 - 下午 5:00(太平洋标准时间)。
致电我们
工作时间:上午9:00-下午5:00(太平洋标准时间)
下载
下载手册、产品技术资料、软件等:
反馈

对市场新推出的低功耗IC 及功率器件特性无法准确把握,是否真正在自己的电源设计中发挥最大的作用,缺少一种简单经济的评价方法。
370B半导体参数测试仪是行业内非常有名的测试设备,但是该产品已经停产,为满足客户的测试需求,所以泰克吉时利推出370B的替代方案半参数化波形记录器PCT,全面的器件级测试。功率范围最高3KV/100A ,图形化的语言设计,一键自动生成报告。
对于电源产品设计,大功率开关管的选择是非常关键也是非常困难的。 如何在系统调试之前对IGBT模块特性进行测试,尤其基于桥式拓扑结构,在不同的负载条件测试IGBT及相应的二极管的特性成为工程师非常头疼的问题。
泰克推出了IGBT Town功率器件动态参数测试,可支持单脉冲,双脉冲及多脉冲测试方案,集成强大的发生装置,数据测试装置及软件。用户可以自定义测试条件,测试项目包含:Toff, td(off),tf(Ic),Eoff,Ton,td(on), tr(Ic),Eon,di/dt,dv/dt,Err,qrr,Irr based on IEC60747
对于电源功能设计中输入输出的信号进行测试,信号波形及主要的参数指标。对于系统的评价,测试设备是否能可靠地,准确的反应真实的信号特点是工程师非常关注的问题,担心某一次测试带来误导。
泰克从1946年成立至今70多年的历史,示波器及电压电流探头其可靠性及稳定性一直是业内公认的品牌。每次测试结果工程师有坚定的信心。示波器是电源设计最常用的仪器,主要用于进行电源设计验证,一般要对输入输出电压或者电流的波形进行测试,判定其频率,幅值或者相位是否和设计相符合。
作为开关电源做主要的器件,MOSFET和IGBT成为影响电源整体效率最主要的因素,不同的应用中,驱动条件不同,功耗千差万别,如何能量化评价在真实电源中的损耗成为非常在意的问题。
泰克最新推出的MSO5系列示波器,其硬件12bit ADC高精度测试,全新优化的开关损耗算法,提供全套方案。可测试开点Turn-on loss ,传导Conduction loss,闭点Turn-off loss。
第三代宽禁带半导体器件GaN,SiC 出现,推动着功率电子行业发生颠覆式的变革。新型开关器件技能实现低开关损耗,又能处理超高速的dv/dt转换,且支持超快速的开关切换频率,带来的测试挑战也成了工程师的噩梦。
泰克为此针对性的推出带宽高达1Ghz,最高2500V差模,高达120dB共模抑制比,全面光隔离探头。结合MSO5 12bit 高精度示波器,提供了系统优异抗干扰能力,帮助工程师进行第三代半导体器件的系统级优化设计。帮助工程师在设计电源产品时,优化上下管的驱动条件,从而保证安全的条件下降低损耗,提高转化效率。
如何评价磁性器件对电源稳定性和整体效率的影响?如何测试电感,磁损,BH曲线,磁性属性等指标是摆在工程师面前的难题。
泰克全新TEK049平台打造MSO5系列示波器,基于其硬件12bit ADC 高精度测量,全新优化的磁损耗算法,提供全套方案,高达8通道支持多种变压器类型。对于电源产品设计初期要自己来绕变压器来满足设计,测试其不确定性,避免出现饱和炸管的情况,专用的测试设备非常昂贵,泰克为大家提供了一种新的评测方法。
工程师就需要花更多的时间和精力在电源的完整性上面(PDN),除了我们经常提到的开关损耗、输入电源质量、输出纹波测试等以外,我们还会涉及到环路响应测试,通过环路响应测试我们可以知道了解我们的反馈环路的稳定性到底如何?
泰克基于示波器集成了环路响应测试功能,给开关电源电路注入一个频率变化的正弦信号,测量开关电源在频域上的特性,需要通过分析增益余量和相位余量来判断环路是否稳定。
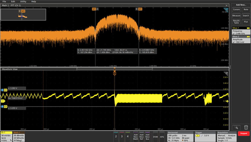
电源输出质量是电源评价重要的一环,尤其对于DC输出,不但要测试电压,电流大小,还要对输出的纹波进行准确的测试,尤其对于某些特殊的电源,纹波需要控制在很小的范围,如何准确测试微小的纹波信号非常棘手。
泰克MSO5示波器其硬件12bit ADC高精度测试能力结合专用的纹波探头TPR系列探头,最低噪声200uV ,高达4GHz带宽的可测试mV级微小纹波,并且结合频谱分析功能,可以洞察纹波的信号组成。
产品设计完成,效率是其最重要的指标,如何准确评价电源质量? 有功,功率因数,效率等项目?
泰克PA3000功率分析仪高达0.04% 测试精度的功率分析仪,最多4通道通道,为您准确测试有功功率,功率因数,相位,效率等参数。
为满足电源行业的标准谐波是非常关键的指标。如何准确评价电源谐波,如何一次性通过IEC61000-3-2标准一致性测试?
电源产品谐波测试非常重要,泰克功率分析仪为您提供电源谐波标准预一致性测试,保证一次性通过谐波认证,泰克PA1000功率分析仪高达0.05% 测试精度的功率分析仪,内置了IEC61000-3-2谐波预一致性测试标准,实时测试。
对于电源产品节能认证非常重要,如何准确评价电源待机功耗的预一致性标准IEC62301 v2.0?
节能认证是电源产品面临的重要的挑战,尤其新能效等级的推出,对测试要求越来越高,泰克PA1000系列高达0.05% 测试精度,内置了IEC62301 V2的待机功耗一致性测试标准,最小可以测试10mW待机功耗。
电源在上市前需要通过CE认证,其中非常重要的就是EMC 一致性认证。很多工程师在实现功能设计同时还要兼顾EMC 的挑战,如何能让工程师了解电源产品的EMC状况,一次性通过认证呢?
EMC认证是电源产品必须做的,专业的认证实验室非常昂贵,泰克高性价比EMC预一致性测试方案。泰克RSA系列实时频谱分析仪,专业的EMCVU软件及LISN 等附件提供高性价的传导和辐射的预一致性测试方案。
电源产品最后一道工序需要进行长时间烤机测试,如何提高效率,尤其对于大批量生产的情景,既准确又高效的测试方法非常重要。
电源产品的老化试验,DAQ6510 高达6位半测试精度的数据采集万用表,功能强大,提供高达80路电压电流及温度的长时间监测及采集,高效准确的评价您的产品。