联系我们
与泰克代表实时聊天。 工作时间:上午 9:00 - 下午 5:00(太平洋标准时间)。
致电我们
工作时间:上午9:00-下午5:00(太平洋标准时间)
下载
下载手册、产品技术资料、软件等:
反馈
碳化硅和氮化镓带来新的测试挑战
碳化硅 (SiC) 和氮化镓 (GaN) 在提高数据中心能效、缩短电动汽车充电时间、提高电动汽车动力总成效率以及提升功率转换方面的使用越来越多,这需要新的验证测试方法以及更好地掌握设备性能。了解如何进行正确的测量并使用正确的测量仪器是缩短功率转换设计上市时间的关键。
了解如何:
充满信心地验证 WBG 半导体
克服高共模电压
浮动差分测量(例如,高侧 Vgs)非常困难或难以实现,因为频率高(快速开、关)以及示波器探头在高带宽下的共模抑制不够而导致共模电压高(例如 Vds)。共模抑制差会导致测量结果受共模错误而非实际差分信号主导。使用泰克的 IsoVu 隔离探头可以轻松解决这些问题,这些探头的性能在氮化镓和碳化硅设备所要求的工作频率下不会下降,从而供您准确地执行差分测量。有了 IsoVu,您可以准确计算并证明导通损耗、停滞时间损耗和开关损耗。
同时测量多个控制和时序信号
在评估依赖于具有更快开关频率的碳化硅或氮化镓技术的新功率转换器时,除了处理转换器的控制和定时电路外,您还将面临同时监控多个信号的挑战。例如,您将测量高侧 Vgs、低侧 Vgs、高侧 Vds、低侧 Vds、Id、IL 和 Iload 以及控制信号。您还需要测量存在高压信号 (Vds) 时的低压信号 (Vgs)。具有高通道数和高垂直分辨率的示波器可以解决您的难题。

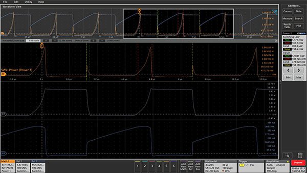
开关损耗表明 FET 具有功耗。 波形使用带彩色编码的标记进行注释,以便表示 Ton、Toff 和总周期的测量区(对应于结果标记中的数值)。 结果标签中的控制功能可以简便地翻查各个周期的数据。
了解详情:
更快的自动功率测量
要在高频碳化硅和氮化镓设备上进行准确、可重复的开关和传导损耗测量,需要高分辨率、多次采集平均求值和复杂波形的数学运算。即使是电能质量、谐波、安全工作区域和开关损耗等测量,也需要在测量过程中实现一定程度的自动化,这样才能获得您所需的所有信息。带 5-PWR 和探测解决方案的泰克 5 系列 MSO 示波器提供您在设计开发和调试期间所需要的自动测量功能。
开关损耗测量与分析
随着对提高能效和延长电池供电设备运行时间的需求越来越高,工程师们正在将其设计从使用传统硅改为使用碳化硅和氮化镓。分析功率损耗和优化电源效率的能力比以往任何时候都更加重要。影响效率的关键因素之一就是开关设备的损耗。例如,典型的开关模式电源的效率可能约为87%,这意味着13%的输入功率将在电源中作为余热消散。在这些损耗中,很大一部分是在开关设备(通常是 MOSFET 或 IGBT)中耗散的。泰克使用 5 和 6 系列 MSO 示波器以及自动功率分析软件可以轻松进行开关损耗测量。














