联系我们
与泰克代表实时聊天。 工作时间:上午 9:00 - 下午 5:00(太平洋标准时间)。
致电我们
工作时间:上午9:00-下午5:00(太平洋标准时间)
下载
下载手册、产品技术资料、软件等:
反馈
串行触发和分析
3 系列 MDO、4/5/6 系列 MSO 应用产品技术资料
更多信息
- 产品支持
- 4 系列 B MSO 混合信号示波器
- 5 系列紧凑型 MSO
- 5 系列 B MSO
- 6 系列 B MSO
- 3 系列 MDO 混合域示波器
- 6 系列紧凑型数字化仪
- 7 系列 DPO 数字荧光示波器
- 探索更多的软件型号
在线阅读:

在串行总线上,单个信号中通常包括地址信息、控制信息、数据信息和时钟信息。这可导致很难发现关注的事件。选配串行应用把示波器变成强大的串行总线调试工具,自动解码和分析 I2C、SPI、eSPI、CAN、CAN FD、CAN XL、LIN、FlexRay、100BASE-T1、SENT、RS-232/422/485、UART、USB 2.0、USB 3.0、USB 3.1 Gen 1、USB 3.2 Gen 1、以太网、I3C、SPMI、Spacewire、8b10b、MFC、NRZ、MIL-STD-1553、ARINC 429、I2S、LJ、RJ、PCIe Gen 1/Gen 2、PSI5、CPHY、CXPI、DPHY、SMBus、1-WIRE、EtherCAT 和 TDM。
主要功能
I2C、SPI、eSPI、I3C 的自动串行解码和分析选项1、CAN、CAN FD、CAN XL、LIN、FlexRay、SENT1、RS-232/422/485、UART、USB 2.0、USB 3.0、USB 3.1 Gen 1、USB 3.2 Gen 1、以太网1、SPMI1、MIL-STD-1553、ARINC 429、I2S、LJ、RJ、PSI5、PCIe Gen 1/Gen 2、DPHY、CXPI、CPHY、SMBus、1-WIRE、EtherCAT 和 TDM
- 触发串行总线的所有关键要素,如地址、数据、等等。
- 解码每条消息的所有关键要素。不用再数 1 和 0
- 搜索长采集数据,使用用户自定义标准,查找具体消息
- 事件表以带时间标记的表格格式显示解码的串行总线活动,迅速汇总系统活动
串行触发和分析应用
串行应用程序支持针对 I2C、SPI、CAN、CAN FD、CAN XL、LIN、FlexRay、100BASE-T1、SENT、RS-232/422/485、UART、USB 2.0、USB 3.0、USB 3.1 Gen 1、USB 3.2 Gen 1、以太网、I3C、SPMI、Spacewire、8b10b、NRZ、MIL-STD-1553、ARINC 429、I2S、LJ、RJ、PCIe Gen 1/Gen 2、PSI5、SMBus、EtherCAT 和 TDM 总线的自动触发和解码,可以更简便地查找、分析和调试所关注的事件。
串行触发
由包内容触发,比如包头、特定地址、特定数据内容、唯一标识符等,支持各种流行的串行接口触发,比如 I2C、SPI、CAN、CAN FD、CAN XL、LIN、FlexRay、SENT、RS-232/422/485、UART、USB 2.0、USB 3.0、USB 3.1 Gen 1、USB 3.2 Gen 1、以太网、I3C、SPMI、MIL-STD-1553、ARINC 429、I2S、LJ、RJ、PCIe Gen 1/Gen 2、PSI5 和 TDM。
总线显示
总线显示画面提供了构成总线的各个信号(时钟、数据、码片启用等) 更高级的综合视图,可以简便地识别包头和包尾,识别地址、数据、错误等子包成分。
总线解码
是否受困于不得不目视检查波形以计算时钟、确定每个位是 1 还是 0、将多个位组合成字节和确定十六进制值?
让装有串行应用的示波器为您做这些事!在设置总线后,示波器解码总线上的每个包,在总线波形中用十六进制、二进制、ASCII 或十进制(仅某些总线)显示这些值。
结果列表
除了看到总线波形本身解码后的数据包数据外,您可以在表格视图中查看捕获的所有数据包,其在很大程度上类似于软件列表。数据包带有时间标记,针对每个组成(地址、数据等)按栏顺序列出。
Wave Inspector® 搜索
串行触发非常适合隔离关心的事件,但一旦捕获并需要分析其周围的数据,该怎么做呢?
过去,用户需要手动翻阅波形,计数并转换位,寻找导致事件发生的原因。在串行应用中,可以让示波器自动搜索采集的数据,查找用户自定义指标,包括串行包内容。事件发生的每个位置都用搜索标记突出显示。只需按示波器前面板或搜索标记上的 ← 和 → 箭头按钮。3 系列 MDO 使用搜索标记中的箭头进行导航。
I2C 的特性
| 特点 | 说明 |
|---|---|
I2C 源 (时钟和数据) | 模拟通道 数字通道 有效的数学通道1 有效的基准通道1 |
| 阈值 | 每通道门限 |
| 推荐探头 | 单端 |
| 地址中包含 R/W | 是或否 |
| 提供的地址/数据格式 | 十六进制 二进制 |
| 特点 | 说明 |
|---|---|
| 总线 | 仅总线 |
| 总线和波形 | 同时显示总线波形和数字波形 |
| 结果列表 | 表格视图中解码后的包数据 |
| 特点 | 说明 |
|---|---|
| 触发和/或搜索条件 | 开始 重复开始 停止 缺少确认 地址(7 或 10 位) 数据(1-5 字节) 地址与数据 |
| 特点 | 说明 |
|---|---|
| 最大时钟/数据速率 | 最高 10 Mb/s (自动选择) |
| 解码显示 | 包头(绿色条) 地址(黄色括号) 数据(青色包) 缺少确认(红色框中的 ! 符号) 停止(红色条) |


SPI 特性
| 特点 | 说明 |
|---|---|
| SPI 源 (时钟、数据和从选择) | 模拟通道 数字通道 有效的数学通道1 有效的基准通道1 |
| 阈值 | 每通道门限 |
| 推荐探头 | 单端 |
| 解码配置: 成帧 时钟 从选择 数据 字长度 位顺序 | 从选择(3 线 SPI),空闲时间(2 线 SPI) 上升沿或下降沿 高有效或低有效 高有效或低有效 4 - 32 位 最有效(MS)优先,最无效(LS)优先 |
| 可用格式 | 十六进制 二进制 |
| 特点 | 说明 |
|---|---|
| 总线 | 仅总线 |
| 总线和波形 | 同时显示总线波形和数字波形 |
| 结果列表 | 表格视图中解码后的包数据 |
| 特点 | 说明 |
|---|---|
| 触发和/或搜索条件 | SS 有效(3 线 SPI) 帧头(2 线 SPI) 数据(1-16 字节) |
| 特点 | 说明 |
|---|---|
| 最大时钟/数据速率 | 最高 10 Mb/s (自动选择) |
| 解码显示 | 包头(绿色条) 数据(青色包) 停止(红色条) |


I3C 特点1
| 特点 | 说明 |
|---|---|
I3C 源 (时钟和数据) | 模拟通道 数字通道 有效的数学通道 有效的基准通道 |
阈值 | 每通道门限 |
速度 | 高速 (480 Mb/s) 全速 (12 Mb/s) 低速 (1.5 Mb/s) |
推荐探头 | 单端 |
可用格式 | 十六进制 二进制 混合十六进制 |
| 版本 | 1.0 1.1 |
| 特点 | 说明 |
|---|---|
总线 | 仅总线 |
总线和波形 | 同时显示总线波形和数字波形 |
结果列表 | 表格视图中解码后的包数据 |
| 特点 | 说明 |
|---|---|
搜索条件 | 开始 重复开始 地址 数据 I3C SDR 直接消息 I3C SDR 广播消息 I3C DDR 消息 错误 Hot-Join 直接消息结尾 停止 HDR 重启 HDR Exit(HDR 退出) |
| 特点 | 说明 |
|---|---|
| 最大时钟/数据速率 | 高达 12.5 Mb/s (自动选择) |
| 解码显示 | 包头(绿色条) 地址(黄色括号) 命令 (青色包) 数据(青色包) 奇偶性(紫色包) 停止(红色条) |




I3C(触发器)的特点
| 特点 | 说明 |
|---|---|
| I3C 源 |
|
| 触发时机 |
|


RS-232、RS-422、RS-485、UART 特点
| 特点 | 说明 |
|---|---|
| 源、RS-232、UART | 模拟通道 数字通道 有效的数学通道1 有效的基准通道1 |
| 源、RS-422、RS-485 | 模拟通道 有效的数学通道1 有效的基准通道1 |
| 极性 | 正常 (RS-232) 反相(UART、RS-422、RS-485) |
| 奇偶性 | 无 奇数 偶数 |
| 推荐探头,RS-232、UART | 单端 |
| 推荐探头,RS-422、RS-485 | 差分 |
| 位数 | 7 – 9 |
| 可用格式 | 十六进制 二进制 ASCII 包视图 |
| Data Inputs(数据输入) | 一、二 |
| 位顺序 | MSB、LSB |
| 特点 | 说明 |
|---|---|
| 总线 | 仅总线 |
| 总线和波形 | 同时显示总线波形和数字波形 |
| 结果列表 | 表格视图中解码后的包数据 |
| 特点 | 说明 |
|---|---|
| 触发和/或搜索条件 | 开始 包尾 数据(1-10 字节) 奇偶校验错误 |
| 特点 | 说明 |
|---|---|
| 最大时钟/数据速率 | 高达 15 Mb/s 对于 3 系列 MDO:高达 10 Mb/s |
| 位速率选择 | 300 b/s 1,200 b/s 2,400 b/s 9,600 b/s 19,200 b/s 38,400 b/s 115,200 b/s 921,600 b/s 自定义(除 3 系列 MDO 外的所有 MDO):50 b/s - 15 Mb/s 自定义(3 系列 MDO):50 b/s - 10 Mb/s |
| 解码显示 | 开始(绿色包) 数据(青色包) 奇偶性(紫色包) 奇偶性错误(红色包) |


CAN 特点(版本 2.0)
| 特点 | 说明 |
|---|---|
| CAN_H、CAN_L、Rx 或 Tx 源(单端探测) | 模拟通道 数字通道 有效的数学通道1 有效的基准通道1 |
| 差分源 (差分探测) | 模拟通道 有效的数学通道1 有效的基准通道1 |
| 阈值 | 每通道门限 |
| 推荐探头: CAN_H、CAN_L、Rx、Tx Diff | 单端 差分 |
| 选择位速率: 预先定义的速率列表 自定义 | 10 kb/s - 1 Mb/s 除 3 系列 MDO 外的所有 MDO:1 kb/s - 1 Mb/s 3 系列 MDO:10 kb/s - 1 Mb/s |
| 采样点 | 除 3 系列 MDO 外的所有 MDO:单位间隔位周期的 0% - 100% 3 系列 MDO:单位间隔位周期的 5% - 95% |
| 可用格式 | 混合十六进制 十六进制 二进制 符号 (.dbc)1 |
| 特点 | 说明 |
|---|---|
总线 | 仅总线 |
总线和波形 | 同时显示总线波形和数字波形 |
结果列表 | 表格视图中解码后的包数据 |
| 特点 | 说明 |
|---|---|
触发和/或搜索条件 | 帧头 帧类型(数据、远程、错误、过载) 标识符(标准或扩展) 数据(字节数 1-8,在 =、≠、<、≤、>、≥ 时触发或搜索) 标识符和数据 EOF 缺少确认 位填充错误 |
| 特点 | 说明 |
|---|---|
消息 | 由 .dbc 文件定义1 |
消息和符号 | 由 .dbc 文件定义1 |
| 特点 | 说明 |
|---|---|
| 最大时钟/数据速率 | 最高 1 Mb/s(自动选择) |
| 解码显示 | 帧头(绿色条) 标识符(黄色包) 数据长度控制(紫色包) 数据(青色包) CRC(紫色包) 帧尾(红色条) 错误(红色包) |


CAN XL 特征
| 特点 | 说明 | ||
|---|---|---|---|
| CAN_H、CAN_L、Rx 或 Tx 源 (单端探头) | 模拟通道 数字通道 有效的数学通道 有效的基准通道 | ||
| 差分源 (差分探头) | 模拟通道 有效的数学通道 有效的基准通道 | ||
| 阈值 | 每通道门限 | ||
| 推荐探头: | |||
| CAN_H、CAN_L、Rx、Tx 差分 | 单端 差分 | ||
| 额定位速率选择: | |||
| 预先定义的速率列表 自定义 | 10 kb/s - 1 Mb/s 50 kb/s - 1 Mb/s | ||
| XL 位速率选择: | |||
| 预先定义的速率列表 自定义 | 1 Mb/s - 20 Mb/s 500 kb/s - 20 Mb/s | ||
| 采样点 | 单位间隔位周期的 55% - 95% | ||
| 可用格式 | 混合十六进制 十六进制 二进制 |
| 特点 | 说明 |
|---|---|
| 触发时机 | 帧头 错误结束 |
| 搜索条件 | 帧头 帧类型(XL 数据帧) 优先级标识符 数据(1 字节) XL 位(接受字段、虚拟 CAN 网络 ID、SDU 类型、简单扩展内容、填充位计数、数据序列仲裁、仲裁序列数据) ADS 类型(数据高位仲裁、数据高位 1、数据高位 2、数据低位) DAS 类型(DAH、高有效 1、高有效 2、低有效 1) 帧尾 错误(缺少确认、XL 格式错误、CRC、任何错误) CRC 类型(PCRC、FCRC) |
| 特点 | 说明 |
|---|---|
| 解码显示 | 帧头(绿色条) 优先级标识符(青色包) 远程请求替代(青色包) FD 格式指示器(青色包) XL 格式指示器(青色包) 保留位 XL 格式(青色包) XL 位(青色包) 数据长度控制(紫色包) PCRC(紫色包) 数据(青色包) FCRC(紫色包) FCP(紫色包) 确认(青色包) 确认分界符(青色包) 帧尾(深粉色包) 错误(红色包) |
| 搜索条件 | 帧头 帧类型(XL 数据帧) 优先级标识符 数据(1 字节) XL 位(接受字段、虚拟 CAN 网络 ID、SDU 类型、简单扩展内容、填充位计数、数据序列仲裁、仲裁序列数据) ADS 类型(数据高位仲裁、数据高位 1、数据高位 2、数据低位) DAS 类型(DAH、高有效 1、高有效 2、低有效 1) 帧尾 错误(缺少确认、XL 格式错误、CRC、任何错误) CRC 类型(PCRC、FCRC) |


CAN FD (ISO 和非 ISO) 特点
| 特点 | 说明 |
|---|---|
| CAN_H、CAN_L、Rx 或 Tx 源 (单端探测) | 模拟通道 数字通道 活动的数学通道 1 活动的基准通道 1 |
| 差分源 (差分探测) | 模拟通道 活动的数学通道1 活动的基准通道1 |
| 阈值 | 每通道门限 |
| 推荐探头: CAN_H、CAN_L、Rx 或 Tx Diff | 单端 差分 |
| 版本 | ISO 非 ISO |
| SD 选择位速率: 预先定义的速率列表 自定义 | 10 kb/s - 1 Mb/s 除 3 系列 MDO 外的所有 MDO:50 kb/s - 10 Mb/s 3 系列 MDO:10 kb/s - 1 Mb/s |
FD 位速率选择: 预先定义的速率列表 自定义 | 除 3 系列 MDO 外的所有 MDO:1 Mb/s - 16 Mb/s 3 系列 MDO:1 Mb/s - 7 Mb/s 除 3 系列 MDO 外的所有 MDO:500 kb/s - 16 Mb/s 3 系列 MDO:500 kb/s - 7 Mb/s |
采样点 | 除 3 系列 MDO 外的所有 MDO:单位间隔位周期的 55% - 95% 3 系列 MDO:单位间隔位周期的 15% - 95% |
可用格式 | 混合十六进制 十六进制 二进制 符号 (.dbc)1 |
| 特点 | 说明 |
|---|---|
| 总线 | 仅总线 |
| 总线和波形 | 同时显示总线波形和数字波形 |
| 结果列表 | 表格视图中解码后的包数据 |
| 特点 | 说明 |
|---|---|
触发和/或搜索条件 | 帧头 帧类型(数据、远程、错误、过载) FD 位 (位速率开关位、错误状态指示符位) 标识符(标准或扩展) 数据(1-8 位、在 =、≠、<、≤、>、≥ 时触发或搜索) 标识符和数据 帧尾 错误(缺少确认、位填充错误、FD 格式错误、任何错误) |
| 特点 | 说明 |
|---|---|
| 消息 | 由 .dbc 文件定义1 |
| 消息和符号 | 由 .dbc 文件定义1 |
| 特点 | 说明 |
|---|---|
| 解码显示 | 帧头(绿条) 标识符(黄色包) 数据长度控制(紫色包) 数据(青色包) CRC(紫色包) 帧尾(红色条) 错误(红色包) |


LIN 特点(版本 2.0)
| 特点 | 说明 |
|---|---|
| LIN 源 | 模拟通道 数字通道 有效的数学通道1 有效的基准通道1 |
| 阈值 | 每通道门限 |
| 推荐探头 | 单端 |
| 极性 | 正常 反相 |
| 选择位速率: 预先定义的速率列表 自定义 | 1.2 kb/s - 19.2 kb/s 除 3 系列 MDO 外的所有 MDO:1 kb/s - 100 kb/s 3 系列 MDO:800 b/s - 100 kb/s |
| 采样点 | 除 3 系列 MDO 外的所有 MDO:单位间隔位周期的 0% - 100% 3 系列 MDO:单位间隔位周期的 10% - 90% |
| LIN 标准 | V 1.x V 2.x 二者 |
| 包括奇偶位及编号 | 是 否 |
| 可用格式 | 十六进制 二进制 混合 |
| 特点 | 说明 |
|---|---|
| 总线 | 仅总线 |
| 总线和波形 | 同时显示总线波形和数字波形 |
| 结果列表 | 表格视图中解码后的包数据 |
| 特点 | 说明 |
|---|---|
| 触发和/或搜索条件 | 同步 标识符 数据(字节数 1-8,在 =、≠、<、≤、>、≥、落在范围内,落在范围外时触发或搜索) ID 和数据 唤醒帧 睡眠帧 错误(同步、ID 奇偶性、校验和) |
| 特点 | 说明 |
|---|---|
| 最大时钟/数据速率 | 最高 100 kb/s,根据 LIN 定义,最高可达 20 kb/s(用于总线自动解码) |
| 解码显示 | 帧头(绿色条) 同步 标识符(黄色包) 数据(青色包) CRC(紫色包) 错误(红色包) |


FlexRay 特点(版本 2.0)
| 特点 | 说明 |
|---|---|
| 差分探测源 (Bdiff) | 模拟通道 活动的数学通道1 活动的基准通道1 |
| 单端探测源 (BP、BM) | 模拟通道 数字通道 有效的数学通道1 有效的基准通道1 |
| 单端探测源 (Tx、Rx) | 模拟通道 数字通道 有效的数学通道1 有效的基准通道1 |
| 阈值: Bdiff BP,BM(模拟通道) BP,BM(数字通道) Tx,Rx | 高阈值和低阈值 高阈值和低阈值 单一阈值 单一阈值 |
| 推荐探头: Bdiff、BP、BM Tx、Rx | 差分 单端 |
| 通道类型 | A B |
| 选择位速率: 预先定义的速率列表 自定义 | 2.5 Mb/s、5 Mb/s、10 Mb/s 1 Mb/s - 10 Mb/s |
| 可用格式 | 十六进制 二进制 混合十六进制(十进制:ID、长度和数量;十六进制:数据和 CRC) |
| 特点 | 说明 |
|---|---|
| 总线 | 仅总线 |
| 总线和波形 | 同时显示总线波形和数字波形 |
| 结果列表 | 表格视图中解码后的包数据 |
| 特点 | 说明 |
|---|---|
| 触发和/或搜索条件 | 帧头 指示符位(正常, 净荷, 空, 同步, 启动) 周期数 (在 =, ≠, <, ≤, >, ≥ 时) 包头字段 (指示符位, 标识符, 净荷长度, 包头 CRC, 周期数) 标识符 (在 =, ≠, <, ≤, >, ≥ 时) 数据 (在 =, ≠, <, >, ≤, ≥ 时) 标识符和数据 帧尾 (静态, 动态) 错误 (包头 CRC, 包尾 CRC, 静态中的空帧, 动态中的空帧, 动态中的同步帧, 开始帧未同步) |
| 特点 | 说明 |
|---|---|
| 最大时钟/数据速率 | 最高 10 Mb/s(自动解码总线) |
| 解码显示 | TTS (紫色框) 开始 (绿色括号) 帧 ID (黄色框) 净荷长度 (紫色框) 包头 (紫色框) 周期数 (黄色框) 数据 (青色框) CRC, DTS, CID (紫色框) 停止 (红色括号) |


SENT 特点1
| 特点 | 说明 |
|---|---|
| SENT 来源 | 模拟通道 数字通道 有效的数学通道 有效的基准通道 |
| 阈值 | 每通道门限 |
| 推荐探头 | 单端 |
| 极性 | 正常 反相 |
| 时钟周期 | 1 μs - 300 μs |
| 刻度容限 | 1% - 30% |
| 快速数据通道 | 1 或 2 |
| 数据半字节 (1 快速数据通道) | 3、4 或 6 个半字节 |
| 通道宽度 (C1/C2) (2 条快速数据通道) | 12/12、14/10 或 16/8 位 |
| 脉冲暂停 | 是 否 |
| 慢速通道 | 无 使用 4 位 ID 增强 使用 8 位 ID 增强 短 |
| 可用格式 | 混合十六进制 二进制 十六进制 混合十进制 |
| 特点 | 说明 |
|---|---|
| 总线 | 仅总线 |
| 总线和波形 | 同时显示总线波形和数字波形 |
| 结果列表 | 表格视图中解码后的包数据 |
| 特点 | 说明 |
|---|---|
| 触发时机 | 包头 快速通道(状态/通信,数据) 慢速通道(消息 ID,数据) CRC 错误(快速通道,慢速通道) |
| 特点 | 说明 |
|---|---|
| 搜索条件 | 包头 快速通道(状态/通信,数据) 慢速通道(消息 ID,数据) 脉冲暂停(时钟周期数) 错误(帧长度、快速通道 CRC、慢速通道 CRC) |
| 特点 | 说明 |
|---|---|
| 最大时钟/数据速率 | 最高 10 Mb/s(自动解码总线) |
| 解码显示 | 同步(绿色包) 快速通道状态(紫色包) 慢速通道消息 ID(黄色包) 数据(青色包) CRC(紫色包) 暂停(紫色包) 错误(红色包) |


MIL-STD-1553 特点
| 特点 | 说明 |
|---|---|
| MIL-STD-1553 源 | 模拟通道 有效的数学通道 有效的基准通道 |
| 极性 | 正常 反相 |
| 阈值 | 单端:每通道门限 差分:高阈值和低阈值 |
| 推荐探头 | 单端或差分 |
| 位速率 | 根据标准为 1 Mb/s |
| 响应时间 | 2 µs-100 µs |
| 可用格式 | 混合十六进制 混合 ASCII 十六进制 二进制 |
| 特点 | 说明 |
|---|---|
| 总线 | 仅总线 |
| 结果列表 | 表格视图中解码后的包数据 |
| 特点 | 说明 |
|---|---|
| 触发和/或搜索条件 | 同步 命令(发送/接收位、奇偶性、子地址/模式、字数/模式数、及 RT 地址 =、≠、<、≤、>、≥、落在范围内、落在范围外) 状态 (奇偶性, 第 9 位 – 消息错误, 第 10 位 – 仪器, 第 11 位 – 服务请求, 第 15 位 – 收到广播命令, 第 16 位 – 繁忙, 第 17 位 – 子系统标记, 第 18 位 – 接受动态总线控制, 第 19 位 – 终端标记, 且数据 =、≠、<、≤、>、≥、 落在范围内、落在范围外) 数据(奇偶性,和数据 =、≠、<、≤、>、≥ 、 落在范围内、落在范围外) 时间 (RT / IMG)(> 最大值、< 最小值、落在范围内、落在范围外) 错误(奇偶性错误、同步错误、曼彻斯特错误(仅触发)、非相邻数据) |
| 特点 | 说明 |
|---|---|
| 最大时钟/数据速率 | 高达 1Mb/s (自动解码总线) |
| 解码显示 | 包头(绿色条) 同步(已识别字类型的紫色包) 地址(黄色括号) R/T(紫色包) 字计数(紫色包) 数据(青色包) 奇偶性(紫色包) 错误(红色包) 停止(红色条) |


ARINC 429 特点(ARINC 规格 429 PART 1-17)
| 特点 | 说明 |
|---|---|
| ARINC 429 源 | 模拟通道 有效的数学通道 有效的基准通道 |
| 信号类型 | 差分 |
| 极性 | 正常 反相 |
| 阈值 | 高阈值和低阈值 |
| 推荐探头 | 差分 |
位速率选择: 预先定义的速率列表 自定义 | 12.5 kb/s、100 kb/s 10 kb/s - 1 Mb/s |
| 数据格式 | 数据 (19 位) SDI+数据 (21 位) SDI+数据+SSM (23 位) |
| 可用格式 | 混合十六进制 十六进制 二进制 |
| 特点 | 说明 |
|---|---|
| 总线 | 仅总线 |
| 结果列表 | 表格视图中解码后的包数据 |
| 特点 | 说明 |
|---|---|
| 触发和/或搜索条件 | 初始字 标签(在 =、≠、<、≤、>、≥、落在范围内、落在范围外时) 数据(在 =、≠、<、≤、>、≥、落在范围内、落在范围外时) 标签和数据(标签值和数据 =、≠、<、≤、>、≥、落在范围内、落在范围外) 结束字 错误(任意错误、奇偶错误、字错误、间隙错误) |
| 特点 | 说明 |
|---|---|
| 解码显示 | 开始(绿括号) 标签 (黄框) 源目的标识符 (黄框) 数据(蓝框) 符号/状态矩阵 (紫框) 奇偶性 (紫框) 停止(红括号) 错误 (红框) |


音频特性
| 特点 | 说明 |
|---|---|
音频源 (位时钟、字选择、数据) | 模拟通道 数字通道 有效的数学通道1 有效的基准通道1 |
阈值 | 每通道门限 |
位时钟极性 | 上升边沿 下降边沿 |
字选择极性 | 正常 反相 |
数据极性 | 高有效 低有效 |
字大小 | 4 - 32 位 |
可用格式 | 十六进制 二进制 带符号的十进制 |
| 特点 | 说明 |
|---|---|
总线 | 仅总线 |
总线和波形 | 同时显示总线波形和数字波形 |
结果列表 | 表格视图中解码后的包数据 |
| 特点 | 说明 |
|---|---|
触发和/或搜索条件 | 字选(仅限 I2S、LJ、RJ) 帧同步(仅限 TDM) 数据(在 =、≠、<、>、≤、≥、落在范围内、落在范围外时;左、右或任一个字) |
| 特点 | 说明 |
|---|---|
最大时钟/数据速率 | 除 3 系列 MDO 外的所有 MDO:最高 10 Mb/s(自动解码总线) 3 系列 MDO:最高 12.5 Mb/s(自动解码 I2S/LJ/RJ 总线) 3 系列 MDO:最高 25 Mb/s(自动解码 TDM 总线) |
解码显示 | 左侧通道数据(I2S、LJ、RJ)(黄色框) 右侧通道数据(I2S、LJ、RJ)(青色框) 通道 1 数据 (TDM)(黄色框) 通道 2 - N 数据 (TDM)(青色框) |


USB 2.0 特点(版本 2.0)
| 特点 | 说明 |
|---|---|
| USB 2.0 源 | 模拟通道 数字通道(单端) 活动的数学通道 活动的基准通道 |
| 阈值 | 每通道门限 |
| 速度 | USB 1.0 (1.5 Mbps) USB 1.1 (12 Mbps) USB 2.0 (480 Mbps) |
| 推荐探头: | |
| USB 1.0 和 USB 1.1 USB 2.0 | 单端 差分 |
| USB 1.0、USB 1.1 和 USB 2.0 的可用格式 | 混合十六进制 十六进制 二进制 混合 ASCII |
| 特点 | 说明 |
|---|---|
| 总线 | 仅总线 |
| 总线和波形 | 同时显示总线波形和数字波形 |
| 结果列表 | 表格视图中解码后的包数据 |
| 特点 | 说明 |
|---|---|
| 触发时机 | 同步 重置 挂起 恢复 包尾 令牌(地址)包 数据包 握手包:ACK、NAK、STALL、NYET(仅限 USB 2.0) 专用包:PRE(仅限 USB 1.1)、ERR、SPLIT、PING、保留 错误:PID 检查、CRC5 或 CRC16、位填充(仅限 USB 1.0 和 USB 1.1) |
| 特点 | 说明 |
|---|---|
| 搜索条件 | 同步 重置 挂起 恢复 包尾 令牌(地址)包 数据包 握手包:ACK、NAK、STALL、NYET(仅限 USB 2.0) 专用包:PRE(仅限 USB 1.1)、ERR、SPLIT、PING、保留 错误:PID 检查、CRC5 或 CRC16、位填充(仅限 USB 1.0 和 USB 1.1) |
| 特点 | 说明 |
|---|---|
| 解码显示 | 包头(绿色条) 同步(绿色包) PID(黄色包) 令牌(地址)(黄色包) 数据(青色包) CRC(紫色包) 错误(红色包) 包尾(红色条) |


USB 特点(版本 3.0、3.1 Gen 1、3.2 Gen 1)
| 特点 | 说明 |
|---|---|
| USB 源 | 模拟通道 数字通道 有效的数学通道 有效的基准通道 |
| 阈值 | 每通道门限 |
| 速度 | USB 1.0 (1.5 Mbps) USB 1.1 (12 Mbps) USB 2.0 (480 Mbps) USB 3.0 (5 Gbps) USB 3.1 Gen 1 (5 Gbps) USB 3.2 Gen 1 (5 Gbps) |
| 推荐探头: | |
| USB 1.0、USB 1.1、USB 3.0、USB 3.1 Gen 1 和 USB 3.2 Gen 1 | 单端 |
| USB 2.0、USB 3.0、USB 3.1 Gen 1 和 USB 3.2 Gen 1 | 差分 |
| 可用格式: | |
| USB 1.0、USB 1.1 和 USB 2.0 | 十六进制 二进制 混合十六进制 混合 ASCII |
| USB 3.0、USB 3.1 Gen 1 和 USB 3.2 Gen 1 | 十六进制 二进制 混合十六进制 |
| USB 3.0、USB 3.1 Gen 1 和 USB 3.2 Gen 1 包视图 | 开 关 |
| 特点 | 说明 |
|---|---|
| 总线 | 仅总线 |
| 结果列表 | 表格视图中解码后的包数据 |
| 特点 | 说明 |
|---|---|
| 搜索条件 | 仅限包视图开启时
仅限包视图关闭时
控制字符:COM、EDB、END、EPF、SDP、SHP、SKP、SLC、SUB、任意 |




以太网特点1
| 特点 | 说明 |
|---|---|
以太网源 | 模拟通道 有效的数学通道 有效的基准通道 |
阈值 | 每通道门限 |
速度 | 10BASE-T 100BASE-TX |
推荐探头 | 差分 |
可用格式 | 混合十六进制 十六进制 二进制 混合 ASCII |
| 特点 | 说明 |
|---|---|
总线 | 仅总线 |
总线和波形 | 同时显示总线波形和数字波形 |
结果列表 | 表格视图中解码后的包数据 |
| 特点 | 说明 |
|---|---|
触发时机 | 帧头分界符 MAC 地址 Q 标记控制信息 MAC 长度/类型 IPv4 包头 TCP 包头 MAC 数据 TCP-IPv4 客户端数据 空闲 包尾 帧校验顺序 (CRC) 错误 |
| 特点 | 说明 |
|---|---|
搜索条件 | 帧头分界符 MAC 地址 Q 标记控制信息 MAC 长度/类型 IPv4 包头 TCP 包头 MAC 数据 TCP-IPv4 客户端数据 空闲 包尾 帧校验顺序 (CRC) 错误 |
| 特点 | 说明 |
|---|---|
解码显示 | 包头(绿色条) 前置码(紫色包) SFD(紫色包) 地址(黄色括号) 以太类型(黄色包) IP 包(紫色包) 数据(青色包) IPv4 包(粉红色包) TCP 包(白色包) 帧校验顺序(黄色包) 错误(红色包) 包尾(红色条) |


SPMI 特点1(版本 2.0)
| 特点 | 说明 |
|---|---|
SPMI 源 (时钟和数据) | 模拟通道 数字通道 有效的数学通道 有效的基准通道 |
阈值 | 每通道门限 |
推荐探头 | 单端 |
可用格式 | 混合十六进制 十六进制 二进制 |
| 特点 | 说明 |
|---|---|
总线 | 仅总线 |
总线和波形 | 同时显示总线波形和数字波形 |
结果列表 | 表格视图中解码后的包数据 |
| 特点 | 说明 |
|---|---|
触发时机 | 序列开头条件 (SSC) 复位 睡眠 关闭 唤醒 认证 主读取 主写入 寄存器读取 寄存器写入 扩展寄存器读取 扩展寄存器写入 扩展寄存器读取长 扩展寄存器写入长 设备描述符码组主读取 设备描述符码组从读取 寄存器 0 写入 传送总线所有 奇偶校验错误 |
| 特点 | 说明 |
|---|---|
搜索条件 | 序列开头条件 (SSC) 复位 睡眠 关闭 唤醒 认证 主读取 主写入 寄存器读取 寄存器写入 扩展寄存器读取 扩展寄存器写入 扩展寄存器读取长 扩展寄存器写入长 设备描述符码组主读取 设备描述符码组从读取 寄存器 0 写入 传送总线所有 奇偶校验错误 |
| 特点 | 说明 |
|---|---|
解码显示 | 仲裁开始 (黄色条) 连接位 (紫色包) 主 ID (紫色括号) 告警位 (黄色包) 从请求位 (黄色包) 主优先等级 (灰色包) SSC (绿色条) 命令帧、包括字节数2 (黄色包) 地址(黄色括号) 数据(青色包) 奇偶性(紫色包) Ack/Nack(紫色包) 奇偶性错误(红色包) 包尾(红色条) |


SpaceWire 特点
| 特点 | 说明 |
|---|---|
SpaceWire 源 (选通和数据) | 模拟通道 数字通道 有效的数学通道 有效的基准通道 |
阈值 | 每通道门限 |
推荐探头 | 差分 |
提供的地址/数据格式 | 十六进制 二进制 |
| 特点 | 说明 |
|---|---|
总线 | 仅总线 |
总线和波形 | 同时显示总线波形和数字波形 |
结果列表 | 表格视图中解码后的包数据 |
| 特点 | 说明 |
|---|---|
搜索条件 | 同步 控件代码 控件字符 数据 错误 |
| 特点 | 说明 |
|---|---|
最大时钟/数据速率 | 2 Mbits/sec 到 200 Mbits/sec |
解码显示 | 空 控件字符 控件代码 FCT 时间编码 奇偶性 数据控制标志 数据 包尾 包尾错误 转义序列 转义错误 开始 FCT 开始 NULL |


汽车以太网 (100BASE-T1) 特点(版本 BRR V3.2)
| 特点 | 说明 |
|---|---|
以太网源 | 模拟通道 有效的数学通道 有效的基准通道 |
阈值 | 每通道门限 |
速度 | 100 Mbits/sec |
推荐探头 | 差分 |
可用格式 | 混合十六进制 十六进制 二进制 混合 ASCII |
| 特点 | 说明 |
|---|---|
总线 | 仅总线 |
结果列表 | 表格视图中解码后的包数据 |
| 特点 | 说明 |
|---|---|
搜索条件 | 帧头 帧头分界符 MAC 地址 Q 标记控制信息 MAC 长度/类型 IPv4 包头 TCP 包头 MAC 数据 TCP-IPv4 客户端数据 包尾 帧校验顺序 (CRC) 错误 |
| 特点 | 说明 |
|---|---|
最大时钟/数据速率 | 100 Mbits/sec |
解码显示 | 包头(绿色条) 前置码(紫色包) SFD(紫色包) 地址(黄色括号) 以太类型(黄色包) IP 包(紫色包) 数据(青色包) IPv4 包(粉红色包) TCP 包(白色包) 帧校验顺序(黄色包) 错误(红色包) 包尾(红色条) |


8b10b 特点(工频编码)
| 特点 | 说明 |
|---|---|
8b10b 源 (选通和数据) | 模拟通道 数字通道 有效的数学通道 有效的基准通道 |
阈值 | 每通道门限 |
推荐探头 | 差分 |
可用格式 | 十六进制 二进制 符号 |
| 特点 | 说明 |
|---|---|
总线 | 仅总线 |
总线和波形 | 同时显示总线波形和数字波形 |
结果列表 | 表格视图中解码后的包数据 |
| 特点 | 说明 |
|---|---|
搜索条件 | 符号 [格式:8bit,10bit&符号] 错误 |
| 特点 | 说明 |
|---|---|
最大时钟/数据速率 | 1 Tbits/sec |
解码显示 | 控制符号(黄色包) 数据符号(青色包) |
错误操作 | 无效符号 运行差异(6 位和 4 位) |


NFC 特点
| 特点 | 说明 |
|---|---|
| NFC 源 |
|
| 显著特点 |
|
| 产品微分器 |
|
| 推荐探头 |
|
| 总线设置 | ![]() ![]() ![]() ![]() |
| 可用格式 |
|
| 特点 | 说明 |
|---|---|
| 总线 | 仅总线 |
| 结果表 | 表格视图中解码后的数据包包含以下列:
|



总线解码
| 特点 | 说明 |
|---|---|
| 最大数据速率 | NFC 类型 B 命令的最大数据速率为 1.7 Mbps |
| 结果表 |
|
|
总线搜索
| 特点 | 说明 |
|---|---|
| 搜索条件 |
|


NRZ 特点(工频编码)
| 特点 | 说明 |
|---|---|
NRZ 源 | 模拟通道 数字通道 有效的数学通道 有效的基准通道 |
阈值 | 每通道门限 |
推荐探头 | 差分 |
位顺序 | MSB 第一 LSB 第一 |
极性 | 正常 反相 |
可用格式 | 十六进制 二进制 |
| 特点 | 说明 |
|---|---|
总线 | 仅总线 |
总线和波形 | 同时显示总线波形和数字波形。 |
结果列表 | 表格视图中解码后的包数据 |
| 特点 | 说明 |
|---|---|
搜索条件 | 数据字节 [最大 5] |
| 特点 | 说明 |
|---|---|
最大时钟/数据速率 | 1Gbits/sec |
解码显示 | 数据(青色包) |


PCIe 特点(Gen 1、Gen 2)
| 特点 | 说明 |
|---|---|
| PCIe 源 | 模拟通道 数字通道 有效的数学通道 有效的基准通道 |
| 阈值 | 每通道门限 |
| 速度 | 2.5 Gbps 5 Gbps |
| 链路宽度 | X1 |
| 包视图 | 开 关 |
| 可用格式 | 十六进制 二进制 混合十六进制 |
| 特点 | 说明 |
|---|---|
| 总线 | 总线 总线和波形 |
| 结果列表 | 表格视图中解码后的包数据 |
| 特点 | 说明 |
|---|---|
| 搜索条件 |
|




PSI5 特点(版本 2.1)


| 特点 | 说明 | |
|---|---|---|
PSI5 源 | 模拟通道 数字通道 有效的数学通道 有效的基准通道 | |
阈值 | 每通道门限 | |
推荐探头 | Sensor To ECU(从传感器到 ECU) | 最小额定电流小于 50mA 的电流探头 - TCP2020、TCP202A |
ECU to Sensor(从 ECU 到传感器) | 差分电压探头 - TDP1000、TDP1500 和 TAP1500 | |
方向 | ECU to Sensor(从 ECU 到传感器) Sensor To ECU(从传感器到 ECU) | |
| 方向 - Sensor to ECU(从传感器到 ECU) | 模式 | 慢速 (83.3 kbps) 标准 (125 kbps) 快速 (189 kbps) |
Data A(数据 A) | 10 - 24 位 | |
Data B(数据 B) | 0 - 12 位 | |
Frame Control(帧控件) | 0 - 4 位 | |
状态 | 0 - 3 位 | |
| 方向 - ECU to Sensor(从 ECU 到传感器) | 同步位周期 | 1 us 到 300 us |
Sync Mode(同步模式) | Pulse Width(脉冲宽度) Tooth Gap(齿隙) | |
数据格式 | 半字节 字节 | |
解码格式 | 十六进制 二进制 混合十六进制 | |
| 特点 | 说明 |
|---|---|
总线 | 仅总线 |
总线和波形 | 同时显示总线波形和数字波形 |
结果列表 | 表格视图中解码后的包数据 |
| 特点 | 说明 | |
|---|---|---|
Mark On(标记位置) | 方向 - Sensor to ECU(从传感器到 ECU) | 包头 [数据包的开始] 状态 数据 [区域 B 和区域 A] 块 ID 传感器状态 [5 种不同状态] 错误 [奇偶校验 CRC 和任何] |
方向 - ECU to Sensor(从 ECU 到传感器) | 包头 [数据包的开始] 状态 数据 [4 或 8 位] Function Code(功能代码) Sensor Address(传感器地址) 寄存器地址 CRC Error(CRC 错误) | |
| 特点 | 说明 | |
|---|---|---|
| 解码显示 | 方向 - Sensor to ECU Packets(从传感器到 ECU 数据包) | 消息场(黄色场) 状态(黄色场) 帧控件(黄色场) 数据 B(青色场) 数据 A(青色场) 奇偶校验或 CRC(紫色场) |
| 方向 - ECU to Sensor Packets(从 ECU 到传感器数据包) | 传感器地址(黄色场) 功能代码(黄色场) 寄存器地址(黄色场) 数据(青色场) CRC(紫色场) | |
Error Type(错误类型) | 奇偶性 CRC 响应代码(从传感器到 ECU) | |


MDIO 特点
| 特点 | 说明 |
|---|---|
| MDIO 源(时钟、数据) | 模拟通道 数字通道 活动的数学通道 活动的基准通道 |
| 阈值 | 每通道门限 |
| 推荐探头 | 单端 |
| 可用格式 | 十六进制 二进制 混合十六进制 |

| 特点 | 说明 |
|---|---|
| 搜索条件 | 开始包 操作码 物理地址 寄存器地址 数据 错误:任何、操作码错误、设备类型错误 |

| 特点 | 说明 |
|---|---|
| 总线 | 仅总线 |
| 总线和波形 | 同时显示总线波形和数字波形 |
| 结果表 | 表格视图中解码后的包数据 |
| 特点 | 说明 |
|---|---|
| 最大时钟/数据速率 | 最大频率高达 2.5 MHz |
| 解码显示 | 开始包(绿色) 条款(绿色) 操作码(黄色) 物理地址(黄色) 寄存器地址(黄色) 设备类型(黄色) 数据/地址(青色) 错误:任何、操作码错误、 设备类型(红色) |

SVID 特点(版本 1.9)
| 特点 | 说明 |
|---|---|
| SVID 源(时钟、数据、告警) | 模拟通道 数字通道 活动的数学通道 活动的基准通道 |
| 阈值 | 每通道门限 |
| 推荐探头 | 单端 |
| 可用格式 | 十六进制 二进制 混合十六进制 |

| 特点 | 说明 |
|---|---|
| 搜索条件 | 开始 从站地址 命令 有效载荷:主、从、任一 错误:任何、缺少确认、奇偶校验 结束 |

| 特点 | 说明 |
|---|---|
| 总线 | 仅总线 |
| 总线和波形 | 同时显示总线波形和数字波形 |
| 结果表 | 表格视图中解码后的包数据 |
| 特点 | 说明 |
|---|---|
| 最大时钟/数据速率 | 最大频率 26.25 MHz |
| 解码显示 | 开始(绿色) 从地址(黄色) 命令(黄色) 主负载(青色) 主奇偶性(紫色) 结束(紫色) 周转(紫色) Ack(紫色) 从负载(青色) 从奇偶性(紫色) |

SVID(触发器)特点
| 特点 | 说明 |
|---|---|
| SVID 源 |
|
| 触发时机 |
|

e-USB2(版本 2.0)
| 特点 | 说明 |
|---|---|
| 源 | 模拟通道 数字通道(单端) 有效的数学通道 有效的基准通道 |
| 阈值 | 每通道门限 |
| 速度 | 高速 (480 Mb/s) 全速 (12 Mb/s) 低速 (1.5 Mb/s) |
| 推荐探头,HS、LS 和 FS | 单端 [有源单端 TAP1500] |
| 可用格式 | 混合十六进制 十六进制 二进制 混合 ASCII |

| 特点 | 说明 |
|---|---|
| 搜索条件 | 特点说明 同步搜索 复位 挂起 恢复/唤醒 连接 控制消息 端口复位 端口配置 设备线性调频 主机线性调频 包尾 令牌(地址)包 数据包 握手包:ACK、NAK、STALL、NYET (仅限 HS) 专用包:PRE(仅限 FS)、ERR、SPLIT、PING 预留 错误:PID 校验、CRC5 或 CRC16、位填充(仅限 LS 和 FS) |

| 特点 | 说明 |
|---|---|
| 解码显示 | 包头(绿色条) 同步(绿色包) PID(黄色包) 令牌(地址)(黄色包) 数据(青色包) CRC(紫色包) 错误(红色包) 包尾(红色条) 控制消息(黄色包) 零(蓝色包) Ack(紫色包) 端口复位(红色条) 端口配置(绿色条) 连接(绿色条) 恢复/唤醒(绿色条) 设备线性调频(绿色条) 主机线性调频(绿色条) 复位结束(红色条) |
| 特点 | 说明 |
|---|---|
表视图 * 因型号而异 | 查看超过 10000* 点 |
| 保存 | 将结果表另存为 CSV |
| 会话 | 保存协议设置会话 |
同时总线 * 因型号而异 | 同时加载多条总线* |
| 未来添加预告 | 协议定时测量 |
| 搜索表 | 显示搜索命中数以及命中数之间的增量时间 |

曼彻斯特特点(工频编码)
| 特点 | 说明 |
|---|---|
| 曼彻斯特源 | 模拟通道 数字通道(单端) 有效的数学通道 有效的基准通道 |
| 总线设置:‘0’容限的容限空闲位转换 | ![]() |
| 推荐探头 | 差分/单端 |
| 可用格式 | 十六进制 二进制 |
| 包视图 | ![]() |
| 特点 | 说明 |
|---|---|
| 搜索条件 | 特点说明 同步搜索 复位 挂起 恢复/唤醒 连接 控制消息 端口复位 端口配置 设备线性调频 主机线性调频 包尾 令牌(地址)包 数据包 握手包:ACK、NAK、STALL、NYET (仅限 HS) 专用包:PRE(仅限 FS)、ERR、SPLIT、PING 预留 错误:PID 校验、CRC5 或 CRC16、位填充(仅限 LS 和 FS) |
| 特点 | 说明 |
|---|---|
| 总线 | 仅总线 |
| 总线和波形 | 同时显示总线波形和数字波形 |
| 结果列表 | 表格视图中解码后的数据包包含以下列: 同步码型 数据包标头 数据包数据 数据包标尾 错误 |
| 特点 | 说明 |
|---|---|
| 最大时钟/数据速率 | 1Gbps |
| 解码显示 | 控制场(黄色包) 负载场(青色包) |
| 错误操作 | 奇偶性 曼彻斯特 |
| 搜索条件 | 数据包视图打开时 同步位 标头 数据 标尾 错误 数据包视图关闭时 数据 错误 |
| 特点 | 说明 | |
|---|---|---|
| 搜索位置(数据包视图开启) | 同步位 标头 数据 标尾 错误 | ![]() |
| 搜索位置(数据包视图关闭) | 数据 错误 | ![]() |
| 特点 | 说明 |
|---|---|
| 表视图 * 因型号而异 | 查看超过 10000* 点 |
| 保存 | 将结果表另存为 CSV |
| 结果列表 | 会话 |
| 同时总线 * 因型号而异 | 同时加载多条总线* |
| 未来添加预告 | 协议定时测量 |
| 搜索表 | 显示搜索命中数以及命中数之间的增量时间 |
DPHY(DSI2.0/CSI2.0) 特点(版本 2.0)
| 特点 | 说明 |
|---|---|
| DPHY 源 | 模拟通道 数学通道 有效的基准通道 |
| 显著特点 | CSI/DSI 协议解码能力。 转义模式解码能力。 高速突发脉冲模式解码能力。 LPDT 和 HS 模式下 8b9b 工频编码的解码能力。 SoT/EoT 搜索能力 长短包搜索能力 转义模式解码能力 ECC、CRC 和 Any 等错误的搜索能力 |
| 总线设置 | ![]() |
| 推荐探头 | 时钟 - 单端/差分 数据 - 单端 单端探头:探头数:3(默认为 D+ 和 D-) 差分探头:探头数:不支持 |
| 8b9b 编码模式 | 在 LPDT 和 HS 模式下选择工频编码。 |
| 可用格式 | 十六进制 二进制 混合十六进制 |
| 特点 | 说明 |
|---|---|
| 总线 | 仅总线 |
| 总线和波形 | 同时显示总线波形和数字波形 |
| 结果表 | 表格视图中解码后的数据包包含以下列: 模式 数据类型 虚拟标识符 ECC 数据 CRC 结束 错误 |
| 特点 | 说明 |
|---|---|
| 最大时钟/数据速率 | 2.5 Gbps |
| 解码显示 | 控制场(黄色) ECC/CRC(绿色) 像素场(红色、绿色、蓝色、黄色) 数据符号(青色) 原始场(青色) |
| 错误操作 | ECC CRC SOT 同步 |
| 特点 | 说明 |
|---|---|
| 搜索条件 (CSI/DSI) | SoT – 在 HS 模式下搜索各传输的 SoT EoT – 在 HS 模式下搜索各传输的 EoT 数据 – 数据搜索 (HS/LP) 加扰 – 搜索加扰模式命令 压缩 – 搜索压缩模式命令。 **数据包 - 搜索长短数据包 转义 – 搜索转义输入模式 停止 – 搜索转义模式退出 错误 – 搜索 CRC 和 ECC 错误。 **可以从标准数据包名称列表中选择 |

| 特点 | 说明 |
|---|---|
表视图 * 因型号而异 | 查看超过 10000* 点 |
| 保存 | 将结果表另存为 CSV |
| 会话 | 保存协议设置会话 |
同时总线 * 因型号而异 | 同时加载多条总线* |
| 未来添加预告 | 协议定时测量 |
| 搜索表 | 显示搜索命中数以及命中数之间的增量时间 |
SDLC 特点(版本 GA27-3093-3)
| 特点 | 说明 |
|---|---|
| SDLC 源 | 模拟通道 数字通道 有效的数学通道 有效的基准通道 |
| 阈值 | 每通道门限 |
| 推荐探头 | 差分 |
| Modulo(模数) | 8 [8 位控制字] 128 [16 位控制字] |
| Encoding(编码) | 离散传输 [NRZ] 零反相 [反相 NRZi] |
| 可用格式 | 十六进制 二进制 混合十六进制 |

| 特点 | 说明 |
|---|---|
| 总线 | 仅总线 |
| 结果表 | 表格视图中解码后的包数据 |
| 特点 | 说明 |
|---|---|
| 最大时钟/数据速率 | 1 Gbits/sec |
| 解码显示 | 开始(绿色竖线) 地址(黄色场) 帧类型(黄色场) 代码(黄色场) Ns(黄色场)[发送序列号] Nr(黄色场)[接收序列号] 轮询/最终(黄色场) 数据(青色场) FCS(紫色场) 中止(红色竖线) |
| 错误操作 | FCS [帧校验顺序错误] |
| 特点 | 说明 |
|---|---|
| 搜索条件 | 开始 [搜索开始事件] 数据 [搜索负载数据] 中止 [搜索中止] 地址 广播 [广播数据包] 无基站 [与二次无关的数据包] 基站 [有效基站地址] 未编号 命令 [搜索主要命令] 回复 [搜索次要回复] 两者信息 [搜索信息帧] 监督 [搜索不同接收器状态] 接收帧就绪 接收帧未就绪 拒绝帧 错误 FCS [搜索帧检测序列错误] 数字顺序错乱 [搜索此帧] 停止 |



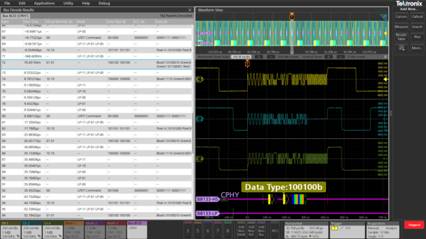
CPHY 特点(版本 2.0)
| 特点 | 说明 |
|---|---|
| CPHY 源 | 模拟通道 数字通道 数学通道 有效的基准通道 |
| 显著特点 | CSI/DSI 协议解码能力。转义模式解码能力。 高速突发脉冲模式解码能力。 字/符号模式解码能力。 单端和差分模式下解码能力 SoT/EoT 搜索能力 长短包搜索能力 转义模式搜索能力 CRC 错误搜索能力 CSI/DSI 包搜索中像素值和像素数的搜索能力 |
| Sub Type(子类型) | CSI DSI 字(16 位数据字解码) 符号(cphy 数据的符号级解码) |
| 信号类型 | 单端:探头数:3 差分:探头数:5 最小探头带宽:由于 HS 的最小比特率设置为 4 Mbps,几乎所有探头均应工作。但考虑到一般 CPHY HS 速度约为 1 GHz 且速度可能因客户而异,因此探头需基于最终客户想要测试的速度。 |
| 可用格式 | 十六进制 二进制 混合十六进制 |
| 位速率 | 指定高速模式下的数据速率 |
| 特点 | 说明 |
|---|---|
| 总线 | 仅总线 |
| 结果表 | 表格视图中解码后的数据包包含以下列: 模式数据类型 虚拟标识符 PHCCRC 数据 CRC 符号 结束 错误 |
| 特点 | 说明 |
|---|---|
| 最大时钟/数据速率 | 10 Gbps |
| 解码显示 | 控制场(黄色)ECC/CRC(绿色) 像素场(红色、绿色、蓝色、黄色) 数据符号(青色)原始场(青色) 字和符号解码(青色) |
| 错误操作 | PHCRC CRC SOT 同步 |
| Sub Type(子类型) | CSI(CSI 包解码) DSI(HS/LP 中的 DSI 包解码) 字(16 位字解码) 符号解码 |
| 特点 | 说明 |
|---|---|
搜索条件 (CSI/DSI) | SoT – 在 HS 模式下搜索各传输的 SoT EoT – 在 HS 模式下搜索各传输的 EoT 数据 – 数据搜索 (HS/LP) 加扰 – 搜索加扰模式命令 压缩 – 搜索压缩模式命令。 |
| 特点 | 说明 |
|---|---|
**数据包 - 搜索长短数据包 转义 – 搜索转义输入模式 错误 – 搜索 CRC 和 PHCRC 错误。 **可以从标准数据包名称列表中选择 | |
| 字/符号解码 | 分别搜索字/符号 |


ONEWIRE 特点
| 特点 | 说明 |
|---|---|
| 1-WIRE 源 | 模拟通道 数字通道 有效的数学通道 有效的基准通道 |
| 显著特点 | 1-WIRE 协议的解码能力。 标准模式的解码能力。 过驱模式的解码能力。 复位、存在事件的搜索能力 命令、数据的搜索能力 不同 ROM 数据包的搜索能力,例如读取/匹配/跳过/搜索 ROM 和基于选择的标准或过载模式的告警。 CRC 错误搜索能力 |
| 可用格式 | 十六进制 二进制 混合十六进制 |
| 模式 | 指定操作模式 - 标准 (15.4 kbits/s) 或过驱 (125 kbits/s)。 |
| 推荐探头 | 单端无源探头 差分无源探头 |

| 特点 | 说明 |
|---|---|
| 总线 | 仅总线 |
| 结果表 | 表格视图中解码后的数据包包含以下列: 初始化 ROM Command(ROM 命令) ROM Code(ROM 代码) CRC 命令 数据 错误 |
| 特点 | 说明 |
|---|---|
| 解码显示 | ROM 命令/ROM 代码/命令(黄色)CRC(紫色) 复位/存在事件(绿色) 结束事件(红色) |
| 错误操作 | CRC |
| 特点 | 说明 |
|---|---|
1-WIRE 搜索 | 复位 – 搜索复位事件。复位是默认的触发时机条件。 存在 – 搜索存在事件。 命令 - 搜索命令。 数据 - 搜索数据。 Read ROM(读取 ROM)– 搜索 Read ROM(读取 ROM)的系列代码和序列号。 Match ROM(匹配 ROM)– 搜索 Match ROM(匹配 ROM)的系列代码和序列号。 Overdrive Match ROM(过驱匹配 ROM)– 搜索 Match ROM(匹配 ROM)的系列代码和序列号。 Skip ROM(跳过 ROM) – 搜索 Skip ROM(跳过 ROM)数据包。 Overdrive Skip ROM(过驱跳过 ROM) – 搜索 Overdrive Skip ROM(过驱跳过 ROM)数据包。 Search ROM(搜索 ROM)– 搜索 ROM 代码(搜索 ROM)。 Alarm Search(告警搜索)- 搜索告警数据包。 CRC Error(CRC 错误)将搜索条件指定为 CRC Error(CRC 错误)。 |




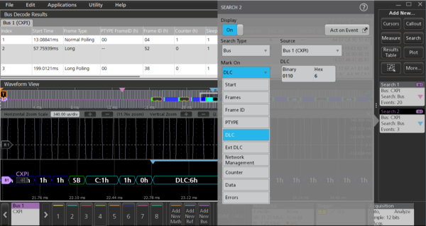
CXPI 特点(版本:JASO D 015-3: 2014/J3076_201510)
| 特点 | 说明 |
|---|---|
| CXPI 源(信号源) |
|
| 推荐探头 | 这是一种低速协议,电压在 1.8 V-3.3 V 之间
|
| 产品微分器 | 在解码后总线上显示 IBS 位,以确保字节间间距清晰。 |
| 显著特点 | CXPI 源具有用于信号解码的隐性阈值电平,即 TH(rec) 是信号的 70% 峰峰值。 传输节点将数据传输至通信总线,并将数据转换为 UART 格式后传输至编码电路。 |
| 可用格式 | 十六进制 二进制 混合十六进制 |
| 位速率 | 为 CXPI 总线解码指定高达 20 kbs 的数据速率。 |
| 特点 | 说明 |
|---|---|
| 总线 | 仅总线 |
| 结果表 | 表格视图中解码后的数据包包含以下列:
|
| 结果表 |
|
| 特点 | 说明 |
|---|---|
| 最大时钟/数据速率 | 20 kbs |
| 解码显示 |
|
| 错误操作 |
|
| 特点 | 说明 |
|---|---|
| 搜索条件 |
|


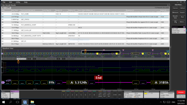
增强型串行外设接口 (eSPI) 特点(版本 1.0)
| 特点 | 说明 |
|---|---|
| eSPI 源 |
|
| 显著特点 |
此外,基于不同通道相关命令操作码的命令阶段和基于有/无标头的响应阶段的搜索能力。 两个阶段均支持基于相应循环类型的子字段搜索。 基于阶段的错误搜索能力:CRC/循环类型/命令操作码/延迟/致命/非致命/无响应。 |
| 可用格式 | 十六进制 二进制 混合十六进制 |
| I/O 模式 | 指定操作模式:
|
| 告警 | 默认情况下选配的告警通道关闭 |
| 极性 | 指定输入源的极性 |
| 解码所需通道 | 4+1 (时钟、片选、命令输入、响应输入 + 告警) |
| 推荐探头 | 这是一种低速协议,电压在 1.8 V-3.3 V 之间
|
| 微分器 |
|
| 特点 | 说明 |
|---|---|
| 单模(默认) | ![]() |
| 双模 | ![]() |
| 特点 | 说明 |
|---|---|
| 总线 | 仅总线 |
| 结果表 | 表格视图中解码后的数据包包含以下列:
|
| 特点 | 说明 |
|---|---|
| 解码显示 | 开始(绿色) 命令操作码、响应、虚拟线数/组/索引、循环类型、标签、长度、消息代码、SMBus 从地址/源地址/目标地址/源从地址/操作码、字节计数、MCTP、目标点、源点、SOM、EOM、PEC、延迟量表、消息标签、TO、PktSeq、等待(黄色) 数据、双字、虚拟线数据(青色) CRC(紫色) 停止、响应错误、非成帧(红色) |
| 错误操作 | CRC、延迟、致命、非致命、无响应、命令操作码、循环类型 |
| 特点 | 说明 |
|---|---|
| 搜索 eSPI | 开始:启用搜索数据包解码的开始事件。 通道独立:启用搜索通道独立命令和响应数据包。 |
| 搜索 eSPI | 外围通道:启用搜索不同类型的外围通道命令和响应数据包。 OOB 通道:启用搜索不同带外 (OOB) 通道命令和响应数据包。 虚拟线路通道:启用搜索不同虚拟线路通道命令和响应数据包。 Flash 访问通道:启用搜索不同 Flash 访问通道命令和响应数据包。 等待:启用搜索 TAR 窗口后出现的等待状态。 结束:启用搜索数据包解码结束时在结束事件。 阶段:选择要搜索的命令和响应之间的阶段类型。 命令:启用搜索标记下指定的不同通道命令操作码。 响应:启用搜索响应字段。 有标头响应:启用搜索由响应代码和响应修饰符组成的 RSP 操作码。 无标头响应:启用搜索由响应代码和响应修饰符组成的 RSP 操作码。 命令操作码:启用搜索不同通道命令操作码。 周期类型:启用基于不同通道的不同周期类型在命令和有标头响应下搜索。 地址:启用基于不同命令和有标头响应搜索不同通道的地址字段,其中标头基于周期类型分类。 标签:启用基于不同命令和有标头响应搜索不同通道的标签字段,其中标头基于周期类型分类。 |
| 搜索 eSPI | 长度:启用基于不同命令和有标头响应搜索不同通道的长度字段,其中标头基于周期类型分类。 SMBus 从站地址:启用搜索 OOB 通道下的 SMBus 从站地址。 虚拟线路计数:启用搜索命令和有标头响应的虚拟线路计数,其中标头位于虚拟线路通道下。 虚拟线路索引:启用搜索命令和有标头响应的虚拟线路索引,其中标头位于虚拟线路通道下。 虚拟线路索引:启用搜索命令和有标头响应的虚拟线路数据,其中标头位于虚拟线路通道下。 数据字节:设置要搜索的数据字节数。 数据:用于设置要搜索的数据值。基于命令和响应的搜索。 状态:启用搜索响应数据包的状态字段。 错误类型:根据命令或响应阶段设置要搜索的错误类型。 |
| 标记位置和通道无关 | ![]() |
| 标记位置和通道无关 |
|
| 标记位置和通道无关 |
外设、OOB 和虚拟有线通道 |
| 标记位置和通道无关 |
|




EtherCAT 特点
| 特点 | 说明 |
|---|---|
以太网源 | 模拟通道 数字通道 有效的数学通道 有效的基准通道 |
| 显著特点 | EtherCAT 协议在单端和差分模式下的解码能力 |
| 总线设置(单端) | ![]() |
| 总线设置(差分) | ![]() |
可用格式 | 十六进制 二进制 混合十六进制 |
信号类型 | 单端(默认) 差分 |
| 特点 | 说明 |
|---|---|
| 总线 | 仅总线 |
| 结果列表 | 表格视图中解码后的数据包包含以下列:
帧检测序列 |
解码显示 | 绿色:帧头 黄色:MAC 源地址、MAC 目的地址、以太网类型 灰色:TPID、TCI、UDP 源端口、UDP 目标端口、长度、校验和、命令、索引、位置、偏移、地址、保留、循环帧、更多 EtherCAT 数据报、IRQ、工作计数器、PublisherID、网络变量计数、通道、优先级、类型 深粉色:IP VersionHL、IP 服务、IP 总长度、IP 标识、IP 标志、IP 片段偏移、IP 生存时间、IP 协议、IP 报头校验和、IP 源地址、IP 目的地址、长度、保留、类型、填充、哈希、质量 青色:数据、详细信息、发布商标题 红色:结束 |
| 错误操作 | FCS 错误 |
| 特点 | 说明 |
|---|---|
| 搜索条件 | 开始:选择搜索帧头。 协议:选择搜索协议类型,然后分别搜索各协议的帧类型。 IP 标头:选择基于标识、源和目的地址值搜索 IP 标头。 UDP 标头:设置要搜索的 16 位源端口。 MAC 地址:选择搜索具有源和目的地址值组合的数据包。 标签控制信息:设置要搜索的 16 位标签控制信息。 EtherCAT 标头长度:设置要搜索的 11 位 EtherCAT 标头长度。 数据报:选择搜索数据报的子字段,包括数据报头、数据和工作计数器。 网络变量:选择搜索网络变量的子字段,包括发布商标头、NV 标头和数据。 邮箱:选择搜索邮箱子字段,包括邮箱标题、服务数据和错误回复服务数据。 FCS 错误:选择搜索 FCS 错误(如有)。 帧尾:选择搜索帧尾。 |


SMBus 特点
| 特点 | 说明 |
|---|---|
SMBus 源 | 模拟通道 数字通道 有效的数学通道 有效的基准通道 |
显著特点 | SMBus 协议的解码能力,PEC 字节可选。 开始、重复开始、停止和空闲事件的搜索能力。 地址的搜索能力,例如主机地址、设备地址和地址。 命令代码、数据和 UDID 数据的搜索能力。 错误(任意、ACK、NACK)搜索能力。 |
| 总线设置 | ![]() |
| PEC 字节为真 | ![]() |
可用格式 | 十六进制 二进制 混合 |
| PEC | 可选 PEC 字节 – 默认 False |
| 特点 | 说明 |
|---|---|
| 总线 | 仅总线 |
| 结果列表 | 表格视图中解码后的数据包包含以下列:
PEC |
解码显示 | 绿色:开始,重复开始 黄色:地址、主机地址、设备地址、从器件地址、器件从器件地址、分配地址、目标从器件地址、读、写、读/写、命令代码、字节数、位、空闲 青色:数据、设备功能、版本修订、接口、供应商 ID、设备 ID、子系统供应商 ID、子系统设备 ID、供应商特定 ID 紫色:PEC 红色:结束 |
| 错误操作 | 任意、ACK、NACK |
| 特点 | 说明 |
|---|---|
| 搜索条件 | 开始:选择搜索开始事件。 重复开始:选择搜索重复开始事件。 地址:设置要搜索的 7 位地址模式。 主机地址:选择搜索主机地址。 设备地址:设置要搜索的 7 位设备地址。 命令代码:设置要搜索的 8 位命令代码。 数据:设置要搜索的数据模式。 数据字节:设置要搜索的数据字节数(1 到 8 个字节)。 场字节:将 UDID 数据的场字节设为 1、2 或 4。 UDID 数据:设置要搜索的 UDID 数据。 错误类型:设置要搜索的错误类型。您可以搜索 ANY、ACK、NACK 和 PEC 错误(仅当 SMBus 总线配置中的 PEC Byte 设置为 True 时,PEC 错误搜索才可用)。 停止:选择搜索停止事件。 空闲:选择搜索空闲事件。 |


订购信息
协议捆绑套件
专门设计的软件捆绑套件具有 1 年的可更新和永久有效期,以满足您的设计和验证需求。
使用我们可用于 30 多种技术的行业标准串行分析软件验证您的协议。
串行分析团队的专业捆绑套件。我们的标准专业知识和集成协议解码器帮助您缩短设计周期、深入洞察技术信息、提高团队效率,从而将新产品和服务更快推上市场。
| 串行解码 | 说明 | 4 系列 MSO | 5 系列 MSO | 6 系列 MSO |
|---|---|---|---|---|
| 4-RL-1 | 记录长度增加到 6250 万个采样点。 | ✔ | ✖ | ✖ |
| 5-RL-125M | 记录长度增加到 1.25 亿个采样点。 | ✖ | ✔ | ✖ |
| 6-RL-2 | 记录长度增加到 2.5 亿个采样点。 | ✖ | ✖ | ✔ |
| SRAUDIO | 音频串行触发和分析(I2S、LJ、RJ、TDM)。支持在串行音频总线上进行包级别信息触发。 | ✔ | ✔ | ✔ |
| SRAUTO | 汽车串行触发和分析(CAN、CAN FD、CAN XL、LIN、FlexRay)。支持在 CAN/CAN FD/CAN XL/LIN/FelxRay 上进行包级别信息触发。 | ✔ | ✔ | ✔ |
| SRNET | 以太网串行触发和分析(10BASE-T, 100BASE-T)。在以太网总线上启用解码和分析。 | ✔ | ✔ | ✔ |
| SRI3C | I3C 串行解码和分析在 MPI I3C 上启用对包级别信息的解码和搜索。 | ✔ | ✔ | ✔ |
| SRNRZ | NRZ 串行解码和分析支持具有位序(MSB 或 LSB 优先)的正常和倒置极性的 NRZ。 | ✔ | ✔ | ✔ |
| SRPM | 功率管理串行触发和分析。支持在 SPMI 总线上进行包级别信息触发。 | ✔ | ✔ | ✔ |
| SRUSB2 | USB 2.0 串行触发和分析。支持在 USB 2.0 总线上进行包级别信息触发。 | ✔ | ✔ | ✔ |
| SRUSB3 | USB 3.0、USB 3.1 Gen 1、USB 3.2 Gen 1 串行解码和分析。广泛搜索选项。 | ✖ | ✖ | ✔ |
| SRPCIE321 | PCIe 串行解码和分析。广泛搜索选项。 | ✖ | ✖ | ✔ |
| SRMDIO | MDIO 协议解码器和搜索。广泛搜索选项。 | ✔ | ✔ | ✔ |
| SRSVID | SVID 协议解码器和搜索。支持版本 1.92。广泛搜索选项 | ✔ | ✔ | ✔ |
| SR8B10B | 8B10B 串行解码和分析如果在 8b10b 中发现 10 位符号的 4 位 6 位奇偶校验错误,则查找并显示奇偶校验错误 | ✖ | ✔ | ✔ |
| SRETHERCAT | ETHERCAT 协议解码器和搜索。在 EtherCAT 总线上启用解码和分析。 | ✔ | ✔ | ✔ |
| SRSMBUS | SMBUS 协议解码器和搜索。在 SMbus 总线上启用解码和分析。 | ✔ | ✔ | ✔ |
| 1 年期许可证 | 4-PRO-SERIAL-1Y | 5-PRO-SERIAL-1Y | 6-PRO-SERIAL-1Y | |
| 永久许可证 | 4-PRO-SERIAL-PER | 5-PRO-SERIAL-PER | 6-PRO-SERIAL-PER | |
面向军事和航空航天设计师的专业捆绑套件。我们的软件设计工具有助于您缩短设计周期、深入洞察技术信息、提高团队效率,从而将新产品和服务更快推上市场。
| 串行解码 | 说明 | 4 系列 MSO | 5 系列 MSO | 6 系列 MSO |
|---|---|---|---|---|
| 4-RL-1 | 记录长度增加到 6250 万个采样点。 | ✔ | ✖ | ✖ |
| 5-Rl-125M | 记录长度增加到 1.25 亿个采样点。 | ✖ | ✔ | ✖ |
| 6-RL-2 | 记录长度增加到 2.5 亿个采样点。 | ✖ | ✖ | ✔ |
| SRAERO | 航空串行触发和分析(MIL-STD-1553,ARINC429)。支持进行包级别信息触发。 | ✔ | ✔ | ✔ |
| SRSPACEWIRE | SpaceWire 串行分析。在 SpaceWire 总线上启用解码和分析。 | ✔ | ✔ | ✔ |
| MTM | ✔ | ✔ | ✔ | |
| SRNRZ | NRZ 串行解码和分析支持具有位序(MSB 或 LSB 优先)的正常和倒置极性的 NRZ。 | ✖ | ✔ | ✔ |
| DJA | 抖动分析包包括 TIE、眼图、直方图和其他高级分析测量。 | ✔ | ✔ | ✔ |
| 1 年期许可证 永久许可证 | 4-PRO-MILGOV-1Y | 5-PRO-MILGOV-1Y | 6-PRO-MILGOV-1Y | |
| 4-PRO-MILGOV-PER | 5-PRO-MILGOV-PER | 6-PRO-MILGOV-PER | ||
在购买时增加仪器
| 串行总线类型 | 3 系列 MDO 选项 | 4 系列 MSO 选项 | 5 系列 MSO 选项 | 6 系列 MSO 选项 | 说明 |
|---|---|---|---|---|---|
| MIL-STD-1553、ARINC 429 | 3-SRAERO | 4-SRAERO | 5-SRAERO | 6-SRAERO | 航空串行触发和分析(MIL-STD-1553,ARINC 429)。允许在 MIL-STD-1553 和 ARINC-429 总线上进行包级别信息触发,并提供分析工具,如信号数字视图、总线视图、包解码、搜索工具以及带时标信息的包解码表。 |
| I2S、LJ、RJ、TDM | 3-SRAUDIO | 4-SRAUDIO | 5-SRAUDIO | 6-SRAUDIO | 音频串行触发和分析(I2S、LJ、RJ、TDM)。在串行音频总线上触发包级信息,提供多种分析工具,如信号的数字视图、总线视图、包解码、搜索工具、带时间标记信息的包解码表。 |
| 8b10b | N/A | N/A | 5-SR8B10B | 5-SR8B10B | 8B10B 串行解码和分析在总线上解码和搜索包级信息,提供多种分析工具,如信号的数字视图、总线视图、包解码、搜索工具、带时间标记信息的包解码表。如果在 8b10b 中发现 10 位符号的 4 位 6 位奇偶校验错误,则查找并显示奇偶校验错误。 |
| NRZ | N/A | 4-SRNRZ | 5-SRNRZ | 6-SRNRZ | NRZ 串行解码和分析在总线上解码和搜索包级信息,提供多种分析工具,如信号的数字视图、总线视图、包解码、搜索工具、带时间标记信息的包解码表。目前不支持 NRZ-I、NRZ-M、NRZ-S 和 NRZ-C 等变体。仅支持具有位序(MSB 或 LSB 优先)的正常和倒置极性的 NRZ。 |
| CAN、CAN FD、CAN XL、LIN、FlexRay | 3-SRAUTO (CAN XL 除外) | 4-SRAUTO | 5-SRAUTO | 6-SRAUTO | 汽车串行触发和分析(CAN、CAN FD、CAN XL、LIN、FlexRay)。在 CAN/CAN FD/CAN XL/LIN/FlexRay 总线上触发包级信息,以及提供多种分析工具,如数字信号视图、总线视图、包解码、搜索工具、带时间戳信息的包解码表。 |
| Automotive 100BASE-T1 | N/A | N/A | 5-SRAUTOEN1 | 6-SRAUTOEN1 | 100BASE-T1 汽车以太网串行分析。 |
| SENT | N/A | 4-SRAUTOSEN | 5-SRAUTOSEN | 6-SRAUTOSEN | 汽车传感器串行触发和分析 (SENT)。允许在 SENT 总线上进行包级别信息触发,并提供分析工具,如信号数字视图、总线视图、包解码、搜索工具以及带时标信息的包解码表。 |
| RS-232/422/485、UART | 3-SRCOMP | 4-SRCOMP | 5-SRCOMP | 6-SRCOMP | 计算机串行触发和分析(RS-232、RS-422、RS-485、UART)。在 RS-232/422/485 和 UART 总线上触发包级信息,提供多种分析工具,如信号的数字视图、总线视图、包解码、搜索工具、带时间标记信息的包解码表。 |
| I 2C、SPI | 3-SREMBD | 4-SREMBD | 5-SREMBD | 6-SREMBD | 嵌入式串行触发和分析模块(I2C、SPI)。允许在 I2C 和 SPI 总线上包级别信息上触发,并提供分析工具,如信号的数字视图、总线视图、包解码、搜索工具以及带时标信息的包解码表。 |
| 以太网 | N/A | 4-SRENET | 5-SRENET | 6-SRENET | 以太网串行触发和分析(10BASE-T, 100BASE-T)。可以触发以太网总线包级信息,并拥有多种分析工具,如信号数字视图、总线视图、包解码、搜索工具及带时间标记信息的包解码表。 |
| I3C | N/A | 4-SRI3C | 5-SRI3C | 6-SRI3C | I3C 串行解码和分析在 I3C 总线上解码和搜索包级信息,提供多种分析工具,如信号的数字视图、总线视图、包解码、搜索工具、带时间标记信息的包解码表。 |
| SPMI | N/A | 4-SRPM | 5-SRPM | 6-SRPM | 功率管理串行触发和分析(SPMI)。可以触发 SPMI 总线包级信息,并拥有多种分析工具,如信号数字视图、总线视图、包解码、搜索工具及带时间标记信息的包解码表。 |
| Spacewire | N/A | 4-SRSPACEWIRE | 5-SRSPACEWIRE | 6-SRSPACEWIRE | Spacewire 串行分析。在 Spacewire 总线上启用解码和分析。 |
| USB 2.0 | 3-SRUSB2 | 4-SRUSB2 | 5-SRUSB2 | 6-SRUSB2 | USB 2.0 串行触发和分析。可以触发 USB 2.0 总线包级信息,并拥有多种分析工具,如信号数字视图、总线视图、包解码、搜索工具及带时间标记信息的包解码表。 |
| USB 3.0 | N/A | N/A | N/A | 6-SRUSB3 | 6 系列示波器 USB 串行触发和分析 (USB 3.0)。 |
| USB 3.1 Gen 1 | N/A | N/A | N/A | 6-SRUSB3 | 6 系列示波器 USB 串行触发和分析(USB 3.1(Gen 1、2*)),* 出现表示有升级可用。 |
| USB 3.2 Gen 1 | N/A | N/A | N/A | 6-SRUSB3 | 6 系列示波器 USB 串行触发和分析(USB 3.2(Gen 1、2*)),* 出现表示有升级可用。 |
| 串行选件捆绑套件 | 3-BND | N/A | N/A | N/A | 添加可用于仪器的所有串行分析选项和功率分析选项。 |
| PCIe | N/A | N/A | N/A | 6-SRPCIE321 | 6 系列 B 示波器 PCIe 串行解码和分析 (PCIe Gen 1/Gen 2)。 |
| PSI5 | N/A | 4-SRPSI5 | 5-SRPSI5 | 6-SRPSI5 | PSI5 串行解码(v1.3 和 2.1)和分析。启用解码和搜索包级信息,提供多种分析工具,如信号的数字视图、总线视图、包解码、搜索工具、带时间标记信息的包解码表。 |
| MDIO | N/A | 4-SRMDIO | 5-SRMDIO | 6-SRMDIO | MDIO 协议解码器和搜索,无硬件触发;节点锁定 |
| SVID | N/A | 4-SRSVID | 5-SRSVID | 6-SRSVID | SVID 协议解码器和搜索,无硬件触发;节点锁定 |
| e-USB2 | N/A | 4-SREUSB2 | 5-SREUSB2 | 6-SREUSB2 | eUSB2 协议解码器和搜索;节点锁定 |
| DPHY | N/A | N/A | 5- SRDPY | 6- SRDPY | DPHY CSI/DSI(DSI2.0 /CSI2.0 协议解码器。支持 HS 数据传输突发脉冲和转义模式功能。 数据传输可以使用 8 位原始数据或使用 8b9b 编码符号 |
| 曼彻斯特 | N/A | 4-SRMANCH | 5-SRMANCH | 6-SRMANCH | 支持通用曼彻斯特解码。根据定义的数据包结构解码数据包。同步、奇偶校验、曼彻斯特等错误解码 |
| SDLC | 4-SRSDLC | 5-SRSDLC | 6-SRSDLC | SDLC 解码器和搜索。捕获波形的广泛搜索选项,如无编号、监督、地址等 | |
| CPHY 1.2 | N/A | N/A | 5-SRCPHY | 6-SRCPHY | MIPI C-PHY CSI/DSI 协议解码器和搜索 |
| 1-Wire | N/A | 4-SRONEWIRE | 5-SRONEWIRE | 6-SRONEWIRE | 1-Wire 协议解码器和搜索 |
| eSPI | N/A | 4-SRESPI | 5-SRESPI | 6-SRESPI | eSPI 协议解码器和搜索 |
| CXPI | N/A | 4-SRCXPI | 5-SRCXPI | 6-SRCXPI | CXPI 协议解码器和搜索 |
| ETHERCAT | N/A | 4-SRETHERCAT | 5-SRETHERCAT | 6-SRETHERCAT | ETHERCAT 协议解码器和搜索 |
| SMBUS | N/A | 4-SRSMBUS | 5- SRSMBUS | 6- SRSMBUS | SMBUS 协议解码器和搜索 |
| NFC | N/A | 4-RFNFC | 5-RFNFC | 6-RFNFC | NFC 协议解码和搜索 |
如果想升级已经购买的仪器
| 串行总线3 | 3 系列 MDO 节点锁定许可证4 | 4 系列 MSO 节点锁定/浮动许可证 | 5 系列 MSO 节点锁定/浮动许可证 | 6 系列 MSO 节点锁定/浮动许可证 |
|---|---|---|---|---|
| MIL-STD-1553、ARINC 429 | SUP3 SRAERO | SUP4-SRAERO SUP4-SRAERO-FL | SUP5-SRAERO SUP5-SRAERO-FL | SUP6-SRAERO SUP6-SRAERO-FL |
| I2S、LJ、RJ、TDM | SUP3 SRAUDIO | SUP4-SRAUDIO SUP4-SRAUDIO-FL | SUP5-SRAUDIO SUP5-SRAUDIO-FL | SUP6-SRAUDIO SUP6-SRAUDIO-FL |
| CAN、CAN FD、CAN XL、LIN、FlexRay | SUP3 SRAUTO (CAN XL 除外) | SUP4-SRAUTO SUP4-SRAUTO-FL | SUP5-SRAUTO SUP5-SRAUTO-FL | SUP6-SRAUTO SUP6-SRAUTO-FL |
| 8B10B | N/A | N/A | SUP5-SR8B10B SUP5-SR8B10B-FL | SUP6-SR8B10B SUP6-SR8B10B-FL |
| NRZ | N/A | SUP4-SRNRZ SUP4-SRNRZ-FL | SUP5-SRNRZ SUP5-SRNRZ-FL | SUP6-SRNRZ SUP6-SRNRZ-FL |
| 100BASE-T1 汽车以太网 | N/A | N/A | SUP5-SRAUTOEN1 SUP5-SRAUTOEN1-FL | SUP6-SRAUTOEN1 SUP6-SRAUTOEN1-FL |
| SENT | N/A | SUP4-SRAUTOSEN SUP4-SRAUTOSEN-FL | SUP5-SRAUTOSEN SUP5-SRAUTOSEN-FL | SUP6-SRAUTOSEN SUP6-SRAUTOSEN-FL |
| RS-232/422/485、UART | SUP3 SRCOMP | SUP4-SRCOMP SUP4-SRCOMP-FL | SUP5-SRCOMP SUP5-SRCOMP-FL | SUP6-SRCOMP SUP6-SRCOMP-FL |
| I2C、SPI | SUP3 SREMBD | SUP4-SREMBD SUP4-SREMBD-FL | SUP5-SREMBD SUP5-SREMBD-FL | SUP6-SREMBD SUP6-SREMBD-FL |
| 以太网 | N/A | SUP4-SRENET SUP4-SRENET-FL | SUP5-SRENET SUP5-SRENET-FL | SUP6-SRENET SUP6-SRENET-FL |
| I3C | N/A | SUP4-SRI3C SUP4-SRI3C-FL | SUP5-SRI3C SUP5-SRI3C-FL | SUP6-SRI3C SUP6-SRI3C-FL |
| SPMI | N/A | SUP4-SRPM SUP4-SRPM-FL | SUP5-SRPM SUP5-SRPM-FL | SUP6-SRPM SUP6-SRPM-FL |
| Spacewire | N/A | SUP4-SRSPACEWIRE SUP4-SRSPACEWIRE | SUP5-SRSPACEWIRE SUP5-SRSPACEWIRE-FL | SUP6-SRSPACEWIRE SUP6-SRSPACEWIRE-FL |
| USB 2.0 | SUP3 SRUSB2 | SUP4-SRUSB2 SUP4-SRUSB2-FL | SUP5-SRUSB2 SUP5-SRUSB2-FL | SUP6-SRUSB2 SUP6-SRUSB2-FL |
| USB 3.0 | N/A | N/A | N/A | SUP6-SRUSB3 SUP6-SRUSB3-FL |
| USB 3.1 Gen 1 | N/A | N/A | N/A | SUP6-SRUSB3 SUP6-SRUSB3-FL |
| USB 3.2 Gen 1 | N/A | N/A | N/A | SUP6-SRUSB3 SUP6-SRUSB3-FL |
| 串行分析捆绑套件5 | SUP3 BND | N/A | N/A | N/A |
| PCIe | N/A | N/A | N/A | SUP6-SRPCIE321 SUP6-SRPCIE321-FL |
| PSI5 | N/A | SUP4-SRPSI5 SUP4-SRPSI5-FL | SUP5-SRPSI5 SUP5-SRPSI5-FL | SUP6-SRPSI5 SUP6-SRPSI5-FL |
| MDIO | N/A | SUP4-SRMDIO SUP4-SRMDIO-FL | SUP5-SRMDIO SUP5-SRMDIO-FL | SUP6-SRMDIO SUP6-SRMDIO-FL |
| SVID | N/A | SUP4-SRSVID SUP4-SRSVID-FL | SUP5-SRSVID SUP5-SRSVID-FL | SUP6-SRSVID SUP6-SRSVID-FL |
| e-USB2 | N/A | SUP4-SREUSB2 SUP4-SREUSB2-FL | SUP5-SREUSB2 SUP5-SREUSB2-FL | SUP6-SREUSB2 SUP6-SREUSB2-FL |
| DPHY | N/A | N/A | SUP5-SRDPHY SUP5-SRDPHY -FL | SUP6-SRDPHY SUP6-SRDPHY-FL |
| 曼彻斯特 | N/A | SUP4-SRMANCH SUP4-SRMANCH-FL | SUP5-SRMANCH SUP5-SRMANCH-FL | SUP6- SRMANCH SUP6- SRMANCH -FL |
| SDLC | N/A | SUP4-SRSDLC SUP4- SRSDLC -FL | SUP5- SRSDLC SUP5- SRSDLC -FL | SUP6- SRSDLC SUP6- SRSDLC -FL |
| CPHY 1.2 | N/A | N/A | SUP5-SRCPHY | SUP6-SRCPHY |
| 1-Wire | N/A | SUP4-SRONEWIRE | SUP5-SRONEWIRE | SUP6-SRONEWIRE |
| eSPI | N/A | SUP4-SRESPI SUP4-SRESPI-FL | SUP5-SRESPI SUP5-SRESPI-FL | SUP6-SRESPI SUP6-SRESPI-FL |
| CXPI | N/A | SUP4-SRCXPI SUP4-SRCXPI-FL | SUP5-SRCXPI SUP5-SRCXPI-FL | SUP6-SRCXPI SUP6-SRCXPI-FL |
| ETHERCAT | N/A | SUP4-SRETHERCAT SUP4-SRETHERCAT-FL | SUP5-SRETHERCAT SUP5-SRETHERCAT-FL | SUP6-SRETHERCAT SUP6-SRETHERCAT-FL |
| SMBUS | N/A | SUP4-SRSMBUS SUP4-SRSMBUS-FL | SUP5-SRSMBUS SUP5-SRSMBUS-FL | SUP6-SRSMBUS SUP6-SRSMBUS-FL |
| NFC | N/A | SUP4-RFNFC SUP4-RFNFC-FL | SUP5-RFNFC SUP5-RFNFC-FL | SUP6-RFNFC SUP6-RFNFC-FL |
推荐探头
如需了解推荐探头型号及任何必要的探头适配器的进一步信息,请参阅 http://www.tek.com/probes。
合作伙伴产品订购信息
- 合作伙伴简介
购买时添加到仪器(支持 Windows 选项)
| 串行总线类型 | 最小带宽 | 推荐探头 | 5 系列 MSO 选项 | 6 系列/6B 系列 MSO 选项 | 说明 |
|---|---|---|---|---|---|
| PGY-eMMC(仅限 Windows 选项) | 2 GHz | MSO5/6 系列标准探头 | PGY-eMMC | PGY-eMMC | eMMC 和 SD (UHS-I) 电气测量和协议解码软件符合 eMMC 版本 4.41、4.51、5.0、5.1 规范。支持 Boot、SDR、DDR、HS200 和 HS400 模式,用于电气测量和协议解码 |
| PGY-SDIO(仅限 Windows 选项) | 2 GHz | MSO5/6 系列标准探头 | PGY-I2C | PGY-I2C | I2C 电气验证和协议解码软件 |
| PGY-QSPI(仅限 Windows 选项) | 500 MHz | MSO5/6 系列标准探头 | PGY-SPI | PGY-SPI | QSPI 规范中指定的电气测量一致性测试和协议解码。支持 Ext SPI、Dual SPI 和 Quad SPI 的单/双传输速率 (STR/DTR)、电气测量和一致性测试。支持在命令索引和 S# 下降沿上触发。支持泰克 MSO 系列的模拟和数字通道 |
MSO 系列支持的协议列表参考销售(请注意:仅限 Windows)
| 串行总线类型 | 最小带宽 | 推荐探头 | 订购 | 5 系列 MSO 选项 | 6 系列/6B 系列 MSO 选项 | 说明 |
|---|---|---|---|---|---|---|
| RFFE | 500 MHz | MSO5/6 系列标准探头 | 参考销售。联系:http://[email protected] | PGY-RFFE | PGY-RFFE | RFFE 协议触发和解码分析软件。 PGY-RFFE 采用基于硬件的实时识别 RFFE 协议的触发功能,可以对长达 125MB 的采集记录长度执行协议分析,只需按一个按钮,就可以提供杰出的 RFFE 协议分析结果。 |
| I2S | 500 MHx 及以上 | 标配探头 | 参考销售。联系:http://[email protected] | PGY-I2S | PGY-I2S | I2S 电气、音频和协议测试软件 |
| I2C | 500 MHz 及以上 | 标配探头 | 参考销售。联系:http://[email protected] | PGY-I2C | PGY-I2C | I2C 电气验证和协议解码软件 |
| SPI | 500 MHz 及以上 | 标配探头 | 参考销售。联系:http://[email protected] | PGY-SPI | PGY-SPI | SPI 电气验证和协议解码软件 |
| I3C | 500 MHz 及以上 | 标配探头 | 参考销售。联系:http://[email protected] | PGY-I3C | PGY-I3C | I3C 电气验证、协议触发和解码软件 |
| JTAG | 500 MHz 及以上 | 标配探头 | 参考销售。联系:http://[email protected] | PGY-JTAG | PGY-JTAG | JTAG 协议解码软件 |
| ONFI | 4 GHz 及以上 | 联系 Prodigy | 参考销售。联系:http://[email protected] | PGY-ONFI | PGY-ONFI | ONFI 电气时序分析软件 |
| SPMI | 500 MHz 及以上 | 标配探头 | 参考销售。联系:http://[email protected] | PGY-SPMI | PGY-SPMI | SPMI 协议解码软件 |
| MPHY | 16 GHz 及以上 | 联系 Prodigy | 参考销售。联系:http://[email protected] | PGY-UPRO PGY-LLI PGY-UFS(需要 PGY-UPRO) | PGY-UPRO PGY-LLI PGY-UFS(需要 PGY-UPRO) | MIPI MPHY -UniPro/LLI/UFS 协议解码软件 |
| USB 2.0 | 2 GHz | 联系 Prodigy | 参考销售。联系:http://[email protected] | PGY-USB | PGY-USB | USB 2.0 协议解码软件 |
| USB-PD | 500 MHz 及以上 | 标配探头 | 参考销售。联系:http://[email protected] | PGY-PD | PGY-PD | USB PD (CC) 协议分析软件 |
| UART | 500 MHz 及以上 | 标配探头 | 参考销售。联系:http://[email protected] | PGY-UART | PGY-UART | UART 电气验证和协议解码软件 |
| KX/KR | 12 GHz 及以上 | 联系 Prodigy | 参考销售。联系:http://[email protected] | PGY-NEGO | PGY-NEGO | KX/KR DME 和工频训练分析软件 |
| 100Base-T1 | 2 GHz 及以上 | 标配探头 | 参考销售。联系:http://[email protected] | PGY-100Base T1 | PGY-100Base T1 | 100 Base-T1 协议解码软件 |
| SVID | 500 MHz 及以上 | 标配探头 | 参考销售。联系:http://[email protected] | PGY-SVID | PGY-SVID | SVID 协议解码软件 |
| USB3 Gen 1 | 23 GHz 及以上 | 联系 Prodigy | 参考销售。联系:http://[email protected] | PGY-USB3 Gen1 | PGY-USB3 Gen1 | USB3 Gen 1 5 Gbps 协议解码软件 |
| USB3 Gen 2 | 23 GHz 及以上 | 联系 Prodigy | 参考销售。联系:http://[email protected] | PGY-USB3 Gen1 | PGY-USB3 Gen1 | USB3 Gen 2 协议解码软件 |
| 8B10B | 4 GHz 及以上 | 联系 Prodigy | 参考销售。联系:http://[email protected] | PGY-8B10B | PGY-8B10B | 8B10B 协议解码软件 |
| 1000T1-LT | 4 GHz 及以上 | 联系 Prodigy | 参考销售。联系:http://[email protected] | PGY-1000T1-LT | PGY-1000T1-LT | 1000BaseT1 工频培训解码软件 |
- 条件和条款
- 2-3 周 ARO 提前期。
























