联系我们
与泰克代表实时聊天。 工作时间:上午 9:00 - 下午 5:00(太平洋标准时间)。
致电我们
工作时间:上午9:00-下午5:00(太平洋标准时间)
下载
下载手册、产品技术资料、软件等:
反馈
测量开关参数的标准方法
对于在 SiC 和 GaN 器件上工作的功率设备工程师来说,最大限度地降低开关损耗仍然是一项主要挑战。测量开关参数和评估硅、碳化硅、氮化镓 MOSFET 和 IGBT 动态行为的标准测试方法是双脉冲测试 (DPT)。双脉冲测试可用于测量设备开启和关闭期间的能量损失,以及反向恢复参数。
双脉冲测试及优点
双脉冲测试的基础知识
使用两台设备执行双脉冲测试。一台设备是被测设备 (DUT),另一台设备通常与 DUT 属于同一类型。注意“高”侧设备上的感应负载。电感器用于复制转换器设计中可能存在的电路条件。使用的仪器包括用于提供电压的电源或 SMU,用于输出脉冲(这些脉冲触发 MOSFET 的栅极,使其开启以开始传导电流)的任意函数发生器 (AFG),以及用于测量生成的波形的示波器。
如何为双脉冲测试生成栅极驱动信号
生成栅极驱动信号以执行双脉冲测试的最简单方法是使用任意波形发生器 (AFG)。AFG 可用于生成栅极驱动信号以执行双脉冲测试。泰克 AFG31000 内置双脉冲测试应用程序,可生成具有不同脉冲宽度的脉冲。
如何测量开启和关闭时序及能量损失
示波器工具可以很好地采集双脉冲波形,因此您可以获得设备的开关时间参数。有了泰克 4/5/6 系列 B MSO 和宽禁带双脉冲测试应用软件(选件WBG-DPT),您可轻松采集一切您所需的参数。WBG-DPT 选项根据 JEDEC 和 IEC 标准提供自动开关、定时和二极管反向恢复测量。
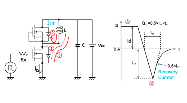
测量反向恢复
二极管的反向恢复时间是衡量二极管中开关速度的指标,因此会影响转换器设计中的开关损耗。反向恢复电流发生在第二个脉冲接通期间。如图所示,在第 2 阶段,二极管正向导通。当低侧 MOSFET 再次开启时,二极管应立即切换到反向阻断状态;但是,二极管将在短时间内以相反的条件进行,这被称为反向恢复电流。这种反向恢复电流会转化为能量损失,直接影响功率转换器的效率。

双脉冲测试电路。










-power-electronics-systems/fig-16.png?h=696&iar=0&w=1192)




