

With the lowest input noise and up to 10 GHz analog bandwidth, the 6 Series B MSO provides the best signal fidelity for analyzing and debugging today's embedded systems with GHz clock and bus speeds. The remarkably innovative pinch-swipe-zoom touchscreen user interface coupled with a large high-definition display and up to eight FlexChannel™ inputs, each of which lets you measure one analog or eight digital signals, the 6 Series B MSO is ready for today's toughest challenges (and tomorrow's too).
The 6 Series B MSO also delivers simplified, advanced measurement and analysis. Characterize jitter on GHz clocks and serial buses with ease. Bring statistics into your everyday toolkit with integrated measurements. Use the same simple drag and drop action to add advanced and everyday measurements.
Four unique analysis capabilities in particular help the 6 Series B MSO stand out, including:
- Spectrum View Synchronized Multi-channel Spectrum Analysis.
It is often easier to debug an issue by viewing one or more signals in the frequency domain. Oscilloscopes have included math-based FFTs for decades in an attempt to address this need. However, FFTs are notoriously difficult to use for two primary reasons.
First, when performing frequency-domain analysis, you think about controls like Center Frequency, Span, and Resolution Bandwidth (RBW), as you would typically find on a spectrum analyzer. But then you use an FFT, where you are stuck with traditional scope controls like sample rate, record length, time/div, and must perform all the mental translations to try to get the view you’re looking for in the frequency-domain.
Second, FFTs are driven by the same acquisition system that’s delivering the analog time-domain view. When you optimize acquisition settings for the analog view, your frequency-domain view isn’t what you want. When you get the frequency-domain view you want, your analog view is not what you want. With traditional oscilloscope FFTs, it is virtually impossible to get optimized views in both domains.
Spectrum View changes all of this. Tektronix’ patented technology provides both a decimator for the time-domain and a digital downconverter for the frequency domain behind each FlexChannel. The two different acquisition paths let you simultaneously observe both time and frequency-domain views of the input signal with independent acquisition settings for each domain. Other manufacturers offer various ‘spectral analysis’ packages that claim ease-of-use, but they all exhibit the limitations described above. Only Spectrum View provides both exceptional ease-of-use and the ability to achieve optimal views in both domains simultaneously.

Watch an overview: Using Spectrum View Spectrum Analysis on Multiple Channels
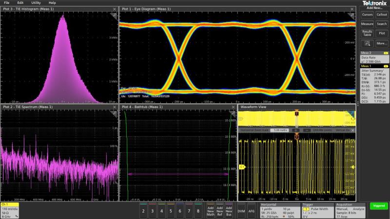
- Advanced Jitter Analysis Quickly Characterizes Clock Signal Quality
The 6 Series B MSO has seamlessly integrated the DPOJET Essentials jitter and eye pattern analysis software package, extending the oscilloscope's capabilities to take measurements over contiguous clock and data cycles in a single-shot real-time acquisition. This enables measurement of key jitter and timing parameters such as Time Interval Error and Phase Noise to help characterize possible system timing issues.
Analysis tools, such as plots for time trends and histograms, quickly show how timing parameters change over time, and spectrum analysis quickly shows the precise frequency and amplitude of jitter and modulation sources.
Option 6-DJA adds additional jitter analysis capability to better characterize your device's performance. The 31 additional measurements provide comprehensive jitter and eye-diagram analysis and jitter decomposition algorithms, enabling the discovery of signal integrity issues and their related sources in today's high-speed serial, digital, and communication system designs. Option 6-DJA also provides eye diagram mask testing for automated pass/fail testing.

Watch an overview: High Speed Serial and Jitter Test for 6 Series B MSO
- Advanced Power Analysis Delivers Fast, Repeatable Power Supply Measurements
The 6 Series B MSO has also integrated the optional 6-PWR power analysis package into the oscilloscope's automatic measurement system to enable quick and repeatable analysis of power quality, in-rush current, harmonics, switching loss, safe operating area (SOA), ripple, magnetics measurements, efficiency, Control Loop Response (Bode Plot), and Power Supply Rejection Ratio (PSRR).
Measurement automation delivers measurement quality and repeatability at the touch of a button, without the need for an external PC or complex software setup.

Watch an overview: Measuring Bode/Control Loop Response of a Power Supply
- Vector Signal Analysis for Examining Modulated Signals
The 6 Series B MSO, combined with available analysis software, offers cost-effective mid-range performance as either a 4 channel, 10 GHz bandwidth, or 8 channel, 5 GHz bandwidth multichannel, multi-domain Vector Signal Analysis (VSA) solution.
When analysis needs go beyond the basic spectrum, amplitude, frequency, and phase vs. time you can employ the SignalVu-PC vector signal analysis application. This enables in-depth transient RF signal analysis, detailed RF pulse characterization, and comprehensive analog and digital RF modulation analysis.
For example, Tektronix’ mixed signal oscilloscope-based approach to 5G New Radio testing, with dedicated digital down converters on each channel and SignalVu-PC VSA software, offers a novel approach to validate 5G NR designs that the traditional RF engineer may not have considered previously due to technical limitations in traditional FFT-based oscilloscopes.

Watch an overview: 5G New Radio Vector Signal Analysis
For more information, visit our website for details. You can also download the 6 Series B MSO datasheet.



