新型IsoVu™ 隔离电流探头:为电流测量带来全新维度

示波器测量电流的常见方法包括使用电流互感器、罗氏线圈和霍尔效应钳式探头。按规格要求使用时,优质磁探头的测量结果非常准确。因为不需要破坏原有电路,因此用于测量在电线或测试回路中流动的电流也很方便。然而,磁探头存在一些固有的局限性。在本文中,作者将介绍针对基于分流器进行电流测量而优化的探头属性,并探讨 IsoVuTM隔离电流探头特别适用的两种应用。
如上所述,使用磁探头测量时需要一根线圈。由于物理限制或电路的敏感性,有时无法使用这种线圈。由于磁性材料的特性,即使是高端钳式电流探头,带宽也被限制在 100 MHz 左右。尽管人们可能会认为非接触式探头不会影响电路性能,但磁探头插入阻抗的意外影响却让许多工程师困惑不已,因为该阻抗在全带宽下可能接近 1 Ω。

图 1当有电线或测试环路可用、插入电感可以容忍且带宽限制在 100 MHz 左右时,使用示波器钳式交流/直流电流探头非常方便。但在无法满足此类要求时,工程师往往选择分流电阻器。分流探头就是为此目的而设计的。
由于上述限制,许多工程师转向使用精密分流电阻器或电流观察电阻器 (CVR)。电压探头用于测量分流器两端的电压降,欧姆定律则用于计算电流。当分流电阻器的一端接地时,共模电压不会成为主要问题。但当分流电阻器处于浮地状态时,则可能会暴露在较高的共模电压下。探头必须经过专门设计,以承受类电压而不受损,并能够抑制输出共模信号。
无源探头和差分探头设计用于检测高阻抗负载,它们具有高输入阻抗,以减少对被测设备的负载影响。差分探头的输入阻抗约为 100 kΩ,大多数无源探头的输入阻抗约为 10 MΩ,不过也有的输入阻抗为 1 MΩ 或 2 MΩ (TPP0502)。理想的分流电阻器是一种低阻抗装置。由于分流阻抗极低,因此无法使用高阻抗探头。事实上,任何通过高阻抗探头的噪声电流都会增加示波器的噪声电压。
新型 IsoVu 隔离电流探头专门优化了使用分流电阻器的电流测量,即使在分流电阻器未接地且受到显著共模电压影响的情况下,也能准确测量电流。新型 IsoVu 隔离电流探头具有以下主要特点:
- 高带宽。与罗氏线圈和霍尔效应电流探头不同的是,TICP 电流探头与高性能分流器或 CVR结合使用时,可以实现从直流到数百兆赫范围的电流测量。有三种型号可选,带宽分别为 250 MHz、500 MHz 和 1 GHz,您可以根据自己的应用和预算进行选择。
- 探头尖端和示波器之间的完全射频隔离消除了接地环路,有助于在 1 MHz 时提供高达 90 dB 的出色共模抑制 (CMRR),从而大幅降低共模噪声。
- 低噪声和高共模抑制。专为电流分流器的低噪声测量而设计,特别适用于电源电路的浮地部分。
- 在测量分流器等两端的低电压 (+/- 0.5 V) 时,具有低衰减和低输入阻抗 (50Ω) 的特性,这意味着可将噪声限制在 4.7 nV/√Hz 以下(1 GHz 时小于 150 μV)。
- 所有尖端和配件均旨在控制噪声。
- 可通过 TekVPI™ 接口连接至泰克 4、5 和 6 系列 MSO 示波器,该接口可以自动检测和配置探头和探头尖端。
高保真电流测量为下一代电源转换器提供洞察力

图 2在半桥功率转换器高边进行双脉冲测试时,如果使用串联电阻,IsoVu隔离电流探头由于具有高共模电压范围和高共模抑制比而能够提供准确的测量结果。
新型 IsoVu 电流探头兼具高带宽和高共模抑制,可在碳化硅和氮化镓电源转换器中提供准确的电流测量。
快速开关场效应晶体管的带宽
碳化硅场效应晶体管的漏极电流上升和下降时间约为 10 纳秒。如果我们将这个时间转换为带宽,使用一阶滚降模型来计算,那么边缘的带宽是 0.35/10 ns = 35 MHz。为了准确测量边缘上的任何振荡和失真,测量系统的带宽应该明显大于该值。因此,分流电阻器、探头和示波器的组合应具有 200 MHz 或更高的带宽。传统的电流测量技术,例如电流互感器(Pearson CT 等)、罗氏线圈和霍尔效应探头,测量能力限制在约 100 MHz。使用这些常见的电流探头严重限制了观察高频分量的能力。
TICP 探头提供了所需的带宽,能够准确捕捉宽带隙开关器件的快速上升沿,其可用带宽高达 1 GHz。

图 3在半桥功率转换器上进行的双脉冲试验。上方(蓝色)波形表示 VDS。黄色波形清楚地显示了 IsoVu 隔离电流探头测量的快速上升漏极电流和震荡。紫色波形表示负载电感电流。最下方的(红色)波形表示 IsoVu 隔离电压探头测得的栅极电压。
高边电流测量
碳化硅电源转换器高边的分流电阻器会受到快速变化的共模电压的影响,该共模电压在近地电平和VDD之间变化。
TICP 探头具有高共模抑制,因此非常适合对碳化硅电源转换器中使用的浮地分流器和 CVR 进行电流测量。TICP 探头与实现了突破性改进的 IsoVu TIVP 隔离电压探头相辅相成,为电流测量带来了类似的隔离技术突破。完全的射频隔离消除了接地环路。使用 1X 探头时,在 1 Mhz 频率下可提供 90 dB 的共模抑制比,在 250 Mhz 频率下可提供 70 dB 的共模抑制比。
最大共模电压和安全等级
新探头具有隔离和安全等级优势,非常适用于功率转换器中在高电压下浮地的分流电阻器和电流观察电阻器 (CVR)。TICP 系列探头达到 1000 V CAT II 应用安全等级,在 1 级污染环境中能够承受最大 1.8 kV 的共模电压,且能够承受最大 5 k VPeak的瞬态电压。
低功耗系统中的准确电流测量:测量纳秒内电流消耗
对于努力充分利用电池供电设计中每一分钟运行时间的工程师来说,使用新型 IsoVu 隔离电流探头能够测量纳秒内低电平动态电流。这意味着,他们对物联网和移动设备电源管理的理解比以往任何时候都更加透彻。

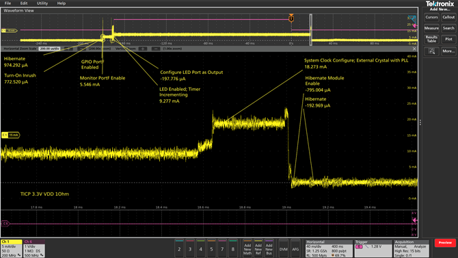
图 4通过测量微控制器 3.3 V 电源轨上的串联电阻,IsoVu 电流探头可以显示处理器在不同操作模式和休眠模式下消耗的电流量。
动态电流测量的带宽
TICP 探头具有进行以下活动所需的带宽和动态范围:观察状态转换,测量特定系统活动期间以及从睡眠模式转换至工作模式的电流消耗。此外,TICP 探头的共模电压额定值高于大多数差分探头,更加适合在电压更高的电源轨上进行测量。
使用低噪声和隔离技术准确测量低电流
TICP 探头可限制噪声,这对于使用分流器准确测量低电流至关重要。该款探头提供低尖端负载和低输入阻抗,其噪声规格为 4.7nV/√Hz,能够在极低噪声下准确捕捉信号(20 MHz 时噪声低于 21 µV,1 GHz 时噪声低于 150 µV)。这种低噪声特性让该款 IsoVu 隔离电流探头成为 6 B 系列 MSO 等低噪声示波器的好搭档。
尽量减少连接麻烦
我们都知道,在被测设备上获取信号可能非常困难。在设计新型 IsoVu 隔离电流探头时,泰克公司的设计师们想方设法,实现探头与设备连接时的正向、低噪声接触。

图 5 ISOVu 电流和电压探头使用 MMCX 连接器与被测设备建立高带宽屏蔽连接。
与被测设备的低噪声连接
为了方便工程师与商用和定制分流电阻器配置建立高度完整的连接,探头采用灵活且可轻松弯曲的尖端,以减少连接时的应力。探头末端使用屏蔽式高带宽 MMCX 连接器。由于 MMCX 连接器在市场上常见,因此很容易买到将 MMCX 连接器转换为 SMA 或 BNC 连接器的适配器。标准套件中还包括一个 SMA 探头尖端,以及从 MMCX 连接器连接至 25 mil 方形引脚的适配器,用于连接到板上分流电阻器和测试点。该套件包含一个两脚架和三脚架适配器,可牢固地固定探头,并方便在测试过程中轻松放置探头。
与 4、5 和 6 系列 MSO 示波器无缝集成
这些探头可以通过智能 TekVPITM 探头接口与 4、5 和 6 系列 MSO 示波器连接,此外,探头通过该接口还可与示波器进行双向通信。该接口能够自动检测探头和尖端,并告诉示波器应用衰减和输入阻抗等关键设置。探头设置可以从示波器的前面板或通过编程命令调整,因此无需人工干预即可实现自动测试。
新款 IsoVuTM 电流分流探头突破了电流互感器、罗氏线圈和霍尔效应钳式探头的限制。虽然这些更传统的电流测量方法具有许多优点,但将 IsoVu 隔离电流探头与精密分流电阻器或 CVR 相结合可以实现带宽更高、噪声更低的测量。如果设计人员需要测量碳化硅和氮化镓电源转换器中的快速大电流变化,或需要测量电池供电嵌入式系统中的动态电流消耗,它也是理想的选择。
欲了解更多信息,请查看如下相关链接:https://www.tek.com.cn/products/oscilloscopes/oscilloscope-probes/isovu-isolated-current-probes。
关于泰克科技
泰克公司总部位于美国俄勒冈州毕佛顿市,致力提供创新、精确、操作简便的测试、测量和监测解决方案,解决各种问题,释放洞察力,推动创新能力。70多年来,泰克一直走在数字时代前沿。欢迎加入我们的创新之旅,敬请登录:tek.com.cn
###
Tektronix是泰克公司的注册商标。所有其他商号均为各自公司的服务标志、商标或注册商标。

