
联系我们
与泰克代表实时聊天。 工作时间:上午 9:00 - 下午 5:00(太平洋标准时间)。
电话
致电我们
工作时间:上午9:00-下午5:00(太平洋标准时间)
下载
下载手册、产品技术资料、软件等:
反馈
PSPL5510V 60 GHz Attenuator
PSPL5510V Datasheet
泰克对于本技术资料上的产品不再有售。
查看 Tektronix Encore 了解翻新测试设备。
查看这些产品的支持和保修状态。

The PSPL5510V Attenuators address a need that has been totally ignored by other microwave component manufacturers who specify their products in the frequency domain, but ignore the time domain responses. For time domain measurements, it is important to also know the transient response of attenuators used in a test set-up. These 1.85 mm attenuators have 5 ps rise times and are recommended for measuring pulses with rise times of 13 ps or slower. For frequency domain measurements, the useful frequency range is DC to 60 GHz. The 1.85 mm connector is compatible with 2.4 mm connectors.
Key performance specifications
- 1.85 mm connectors
- DC to 60 GHz
- 5 ps Rise time
Typical performance


Specifications
| Parameter 1 | Value |
|---|---|
| Values available | 3, 6, 10, and 20 dB |
| Frequency range | DC to 60 GHz |
| Connectors | 1.85 mm jack (f) & plug (m) |
| Rise time (10% to 90%) | 5 ps, when tested with 10 ps rise time pulse |
| Impedance - DC | 50 Ω, |
| Delay | 90 ps (see typical performance plots) |
| DC Attenuation accuracy | ±0.5 dB maximum limits guaranteed |
| Return loss – DC
VSWR – DC |
> 30 dB typical, 23 dB minimum
> 1.06 typical, 1.15 maximum |
| Attenuation Flatness
(see Typical performance plots) |
|
| Return Loss – AC
(see Typical performance plots) |
> 20 dB, f > 15 dB, f > 12 dB, f |
| Max. Power Input | 2 W average at 25 °C, derated linearly to 1 W at 85 °C, 50 W peak for |
| Temperature Range | -55 to +85 °C operating, –55 to +125 °C storage, 0.001 dB/dB/ °C temp. coefficient. |
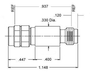
| Dimensions | 28.8 mm length, 8 mm diameter |
| Weight | 8 gm |
| Material | Stainless steel |
| Serial Number | Yes |
| Warranty | One Year |
1 All parameters listed are typical unless maximum or minimum guaranteed limits are provided.
Ordering information
Models
- PSPL5510V
- Attenuator, 60 GHz
Options
- Opt. 3DB
- 3 db attenuation
- OPT 6DB
- 6 db attenuation
- Opt. 10DB
- 10 db attenuation
- Opt. 20DB
- 20 db attenuation

