
联系我们
与泰克代表实时聊天。 工作时间:上午 9:00 - 下午 5:00(太平洋标准时间)。
电话
致电我们
工作时间:上午9:00-下午5:00(太平洋标准时间)
下载
下载手册、产品技术资料、软件等:
反馈
PSPL5589 2.8 GHz High Current Bias Tee Datasheet
PSPL5589 Datasheet
泰克对于本技术资料上的产品不再有售。
查看 Tektronix Encore 了解翻新测试设备。
查看这些产品的支持和保修状态。

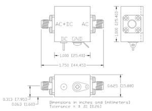
The PSPL5589 High Current Bias Tee is intended for frequency domain, high current applications. Unlike most high current bias tees that typically are specified for only an octave band, this bias tee can typically cover a decade. The DC input is a solder terminal feed-thru capacitor.
Key performance specifications
- 0.3 GHz to 2.8 GHz
- 100 V, 7 A
Typical performance

Insertion Loss, S21. 0.5 dB/div, top line is the 0 dB reference.

Return Loss, S11. 5 dB/div, top line is the 0 dB reference.
Specifications
| Parameter | Symbol | Units | Minimum | Typical | Maximum | Comments |
|---|---|---|---|---|---|---|
| Impedance | Z | ohms | 50 | |||
| Frequency range | f | GHz | 0.3 to 2.8 0.45 to 2.6 | IL 10 dB IL 15 dB | ||
| Insertion loss | S21 | dB | 0.05 | At 1.5 GHz | ||
| Input (AC), Return loss | S11 | dB | >25 | Mid band, AC port | ||
| DC voltage | V | V | 100 | |||
| DC current | I | A | 7 | |||
| Capacitance (bypass) | C | nF | 22 | |||
| Capacitance | C | nF | 1 | |||
| Inductance | L | nH | 51 | |||
| Resistance | R | ohms | 0.015 | |||
| RF power | P | W | 100 | Average power | ||
| Isolation | S13 | dB | >50 | |||
| DC path bandwidth | fc,DC | kHz | 275 | |||
| Temperature | T | °C | -55 | +125 | Storage and operating | |
| RF connectors | SMA jacks (f) | |||||
| DC connector | Solder pin | |||||
| Warranty | One year | |||||
Ordering information
Models
- PSPL5589
- BIAS TEE, 0.3-2.86 GHz, 100 V, 7 A

