
联系我们
与泰克代表实时聊天。 工作时间:上午 9:00 - 下午 5:00(太平洋标准时间)。
电话
                                致电我们
工作时间:上午9:00-下午5:00(太平洋标准时间)
下载
下载手册、产品技术资料、软件等:
反馈
PSPL5336 -- 6 dB Power Splitter, 20 GHz, Datasheet
PSPL5336 Datasheet
泰克对于本技术资料上的产品不再有售。
查看 Tektronix Encore 了解翻新测试设备。
查看这些产品的支持和保修状态。

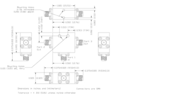
The PSPL5336 6 dB Power Splitter is a very broadband, resistive tee. It is useful for splitting a signal into two identical signals. The output is attenuated by 6 dB. This is an impedance-matched tee that presents a 50 Ω input impedance when both outputs are terminated in 50 Ω. Power splitter tees are built using two 50 Ω resistors and present a 50 Ω impedance only at the input port. The resistors in this tee have 1% tolerance so it has excellent symmetry and very close impedance match to 50 Ω. It has a rise time of 20 ps and bandwidth from DC to >20 GHz.
Typical performance
Frequency responses from 40 MHz to 20 GHz, linear sweep at 2 GHz/div.

Specifications
| Parameter 1 | Description | |||
|---|---|---|---|---|
| Rise time | ≤20 ps | |||
| Insertion loss (-3 dB) | DC to 20 GHz | |||
| Insertion loss 2, DC | 6.02 dB ±0.05 dB maximum | |||
| Insertion loss, AC | 6.0 dB ±0.05 dB maximum, for f 21 plots | |||
| Insertion loss, Asymmetry | 0.09 dB, maximum, DC
                           2 | |||
| Phase tracking | ||||
| Delay | 180 ps | |||
| Input impedance, DC 2 | 50 Ω, ±3 Ω naximum | |||
| S11 Return loss | See S11 plots for typical vs. frequency | |||
| Maximum input power, average | 1 W | |||
| Power temperature curve | Full power up to +70 °C, linerly derated to 0 W at +125 °C | |||
| Peak power | 50 W t | |||
| Connectors | SMA jacks (f) | |||
| Warranty | One year | |||
1 All parameters listed are typical unless maximum or minimum guaranteed limits are provided.
2 The DC specifications are based upon resistor tolerances and only when used with 50 Ω source and terminations.
Ordering information
Models
- PSPL5336
- Power Splitter, 6 dB

