联系我们
与泰克代表实时聊天。 工作时间:上午 9:00 - 下午 5:00(太平洋标准时间)。
电话
致电我们
工作时间:上午9:00-下午5:00(太平洋标准时间)
下载
下载手册、产品技术资料、软件等:
反馈
特点 | 优势 |
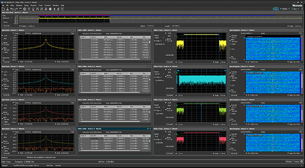
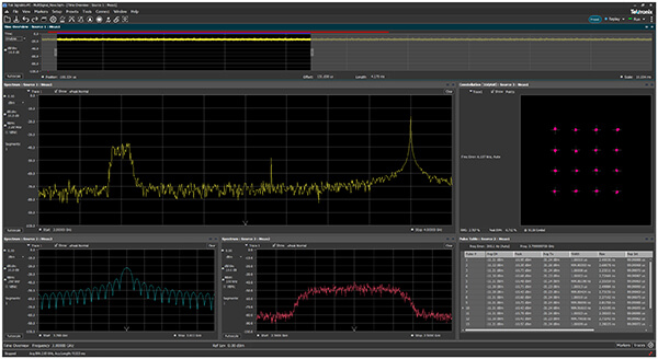
| 集成的矢量信号分析 | 通过完全集成的 SignalVu 软件,最大限度降低测试设备和在示波器上执行高级射频测量的整体成本。 支持 MSO/DPO5000、DPO7000 和 MSO/DPO70000 系列示波器。 |
| 最高 70 GHz 带宽测量 | 使用示波器的完整带宽进行采集;非常适用于宽带卫星、雷达、军事通信应用以及 5G 商业无线应用。 |
| 集成射频信号分析利用 Pinpoint 触发和 4 通道 | 触发随时间和幅度变化的感兴趣的事件,在最多两个事件上触发几乎任何触发类型,不论是跳变触发、状态触发、时间触发,还是逻辑判定触发。 |
| 多域显示 | 使用与时间相关的多域显示器查找频率、相位、幅度和调试域内的问题的根本原因,使故障排除更快。 |
| 自动化测量 | 通过内置的 ACLR、多载波 ACLR、功率与时间关系、CCDF、OBW/EBW 和杂散搜索测量对分量和系统快速检定。 |
| 大量功率、频谱、调制、脉冲、杂散搜索自动测量 | 使用内置测量和信号统计功能迅速检定组件和系统。 |
| 无线标准支持 | 使用按钮预设和数据包解码,加快 IEEE 802.11ad 或 802.11ac 和其他较窄带宽标准发射机的测试。 |
| 自动脉冲测量(可选) | 只需一次按钮,可在 10000 多种不同脉冲上使用 27 种自动脉冲测量来简化测试。 |




